产品分类
7321CM轴承
更新日期:
类型:【角接触球轴承 - 角接触球轴承】
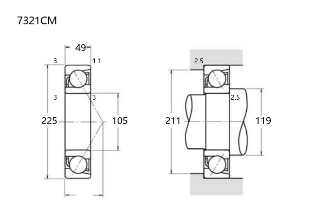
基本尺寸:内径:105 mm,外径:225 mm,厚度:49 mm。
价格区间:¥0 - ¥0【详情】
后缀列表:【C:接触角 15°】【M:机加工黄铜保持架】
7321CM型轴承属于角接触球轴承,内径为105毫米,外径225毫米,厚度49毫米,适用于中高载荷工况。该轴承采用单列设计,接触角适中,能够同时承受径向和轴向联合载荷,常见于需要较高旋转精度的设备中。其结构优化了滚道和保持架的设计,提升了运转平稳性。
该型号多用于工业传动、泵类设备或中型电机等场合,适配普通精度等级(如P0级),在常规转速和负荷条件下表现稳定。材质通常选用铬钢,并经过适当的热处理,以增强耐磨性和疲劳寿命。安装时需注意配对使用或预紧调整,以确保载荷分布均匀。
在实际应用中,需结合具体工况条件选择润滑方式与配合公差,定期维护可延长使用寿命。该型号轴承具有较好的通用性,但建议参考制造商技术手册以确认详细参数。
7
3
2
1
C
M
7:角接触球轴承
3:尺寸系列:中窄 03 系列
21:内径:105 mm
C:接触角 15°
M:机加工黄铜保持架
7:
角接触球轴承
3:
尺寸系列:中窄 03 系列
21:
内径:105 mm
C:
接触角 15°
M:
机加工黄铜保持架
| 公称型号(按保持器区分) | ||
| 品牌:CALOX | 冲压钢 | |
| 尼龙 | 7321CTN | |
| 车削铜 | 7321CM | |
| 主要尺寸(mm) | ||
| 内径 | d | 105 |
| 外径 | D | 225 |
| 厚度 | B![]() |
49 |
| 高可实测 | r(min) | 3 |
| r1(min) | 1.1 | |
| 接触角 | ||
α(度)![]() |
15° | |
| 额定载荷(KN) | ||
| 动载荷 | Cr(单列) | 223 |
| 基本额定静载荷 | Cor(单列) | 207 |
| 系数 | ||
| f0 | 13.4 | |
| 限制速度(rpm) | ||
| 高可计算 | 脂润滑 | 4800 |
| 油润滑 | 6400 | |
| 载荷中心(mm) | ||
| a(单列) | 46.6 | |
| 安装尺寸(mm) | ||
| 高可实测 | da(min) | 119 |
| Da(max) | 211 | |
| ra(max) | 2.5 | |
| db(min) | — | |
| Db(max) | 218 | |
| rb(max) | 1 | |
| 重量(kg) | ||
| 单列 | 8.62 | |
点击获取3D图
下载中 {{percentComplete}}%
| 商品 | 品牌 | 主要尺寸 | 发货仓 | 产地 | 库存 | 含税单价 | VIP价 | 操作 |

.jpg)