产品分类

7319BM轴承
类型:【角接触球轴承 - 角接触球轴承】
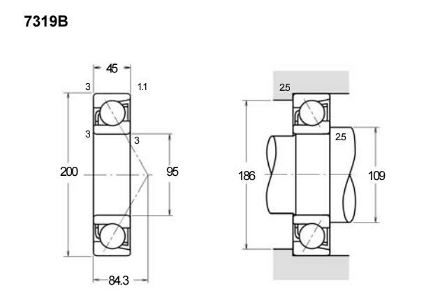
基本尺寸:内径:95 mm,外径:200 mm,厚度:45 mm。
价格区间:¥1097.95 - ¥7102.16【详情】
后缀列表:【B:接触角 40°】【M:机加工黄铜保持架】
7319BM型角接触球轴承的基本尺寸为内径95mm、外径200mm、厚度45mm。该轴承采用单列设计,接触角适中,可同时承受径向和轴向联合载荷,适用于较高转速工况。其结构包含实心黄铜保持架,有助于提升运转稳定性和抗磨损性能。
该型号属于普通精度等级产品,常见级别包括P0、P6或P5,可满足不同应用场景对精度和刚性的需求。此类轴承多用于中型机械传动系统,例如工业减速箱、机床主轴或重型电机等设备,能够有效支撑旋转部件并降低摩擦损耗。
在安装时需注意角接触轴承通常需成对使用以实现预紧调整,内外圈需根据受力方向确定安装顺序。使用过程中应保持充分润滑并避免过载,以延长使用寿命。其性能特点兼顾承载能力与转速适应性,是通用机械领域中的常见基础部件。
7
3
1
9
B
M
7:角接触球轴承
3:尺寸系列:中窄 03 系列
19:内径:95 mm
B:接触角 40°
M:机加工黄铜保持架
7:
角接触球轴承
3:
尺寸系列:中窄 03 系列
19:
内径:95 mm
B:
接触角 40°
M:
机加工黄铜保持架
公称型号(按保持器区分) | ||
冲压钢 | 7319BW | |
尼龙 | 7319BTN | |
车削铜 | 7319BM | |
主要尺寸(mm) | ||
内径 | d | 95 |
外径 | D | 200 |
厚度 | B | 45 |
r(min) | 3 | |
r1(min) | 1.1 | |
接触角 | ||
α(度) | 40° | |
额定载荷(KN) | ||
动载荷 | Cr(单列) | 167 |
基本额定静载荷 | Cor(单列) | 149 |
系数 | ||
f0 | — | |
限制速度(rpm) | ||
脂润滑 | 2200 | |
油润滑 | 3000 | |
载荷中心(mm) | ||
a(单列) | 84.3 | |
安装尺寸(mm) | ||
da(min) | 109 | |
Da(max) | 186 | |
ra(max) | 2.5 | |
db(min) | 102 | |
Db(max) | 193 | |
rb(max) | 1 | |
重量(kg) | ||
单列 | 5.98 |

商品 | 品牌 | 主要尺寸 | 发货仓 | 产地 | 库存 | 含税单价 | VIP价 | 操作 |
HRB 7319BM轴承 角接触球轴承 |
HRB | 95 X 200 X 45 | 华东 | 哈尔滨 | 30 | 1240.68 | ¥1097.95 | |
NSK 7319B轴承 单列角接触球轴承 |
NSK | 95 X 200 X 45 | 华东 | 日本 | 4 | 2432.27 | ¥1870.98 | |
SKF 7319 BEM轴承 角接触球轴承 |
SKF | 95 X 200 X 45 | 华北 | 2 | 3255.25 | ¥2855.48 | ||
FAG 7319-B-MP轴承 单列角接触球轴承 |
FAG | 95 X 200 X 45 | 华北 | 进口产地 | 25 | 1775.03 | ¥1543.5 | |
NSK 7319BG轴承 单列角接触球轴承 |
NSK | 95 X 200 X 45 | 华东 | 日本 | 3 | 2228.49 | ¥2025.9 | |
篇幅有限,仅显示五条,更多可点击:搜索,或者:深度搜索 |