产品分类

7316CM轴承
类型:【角接触球轴承 - 角接触球轴承】
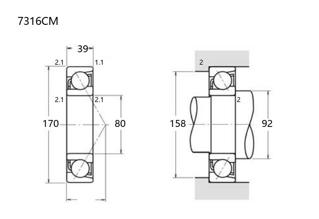
基本尺寸:内径:80 mm,外径:170 mm,厚度:39 mm。
价格区间:¥0 - ¥0【详情】
后缀列表:【C:接触角 15°】【M:机加工黄铜保持架】
7316CM角接触球轴承内径为80mm,外径170mm,厚度39mm,属于中等尺寸的精密机械元件。该轴承采用角接触设计,可同时承受径向和轴向载荷,适用于转速较高的工况。其接触角经过优化,能在复杂受力环境下保持稳定运行。
该型号常见于普通精度等级(如P0、P6或P5级),能够满足一般工业设备的精度需求。其结构设计注重刚性与摩擦平衡,多用于变速箱、主轴支承或齿轮箱等场景。部分应用也可能涉及泵类、电机或传动系统,具体需结合实际工况参数匹配。
制造材料通常为高碳铬钢,经热处理后具备良好的耐磨性和疲劳强度。润滑条件与安装精度对性能表现有显著影响,建议根据实际负载及转速选择适配的润滑方案。此类轴承在常规工业领域中具有较广泛的应用基础。
7
3
1
6
C
M
7:角接触球轴承
3:尺寸系列:中窄 03 系列
16:内径:80 mm
C:接触角 15°
M:机加工黄铜保持架
7:
角接触球轴承
3:
尺寸系列:中窄 03 系列
16:
内径:80 mm
C:
接触角 15°
M:
机加工黄铜保持架
公称型号(按保持器区分) | ||
冲压钢 | ||
尼龙 | 7316CTN | |
车削铜 | 7316CM | |
主要尺寸(mm) | ||
内径 | d | 80 |
外径 | D | 170 |
厚度 | B | 39 |
r(min) | 2.1 | |
r1(min) | 1.1 | |
接触角 | ||
α(度) | 15° | |
额定载荷(KN) | ||
动载荷 | Cr(单列) | 149 |
基本额定静载荷 | Cor(单列) | 117 |
系数 | ||
f0 | 13.5 | |
限制速度(rpm) | ||
脂润滑 | 6500 | |
油润滑 | 8600 | |
载荷中心(mm) | ||
a(单列) | 36.2 | |
安装尺寸(mm) | ||
da(min) | 92 | |
Da(max) | 158 | |
ra(max) | 2 | |
db(min) | 87 | |
Db(max) | 163 | |
rb(max) | 1 | |
重量(kg) | ||
单列 | 3.85 |

商品 | 品牌 | 主要尺寸 | 发货仓 | 产地 | 库存 | 含税单价 | VIP价 | 操作 |