产品分类

7313CM轴承
类型:【角接触球轴承 - 角接触球轴承】
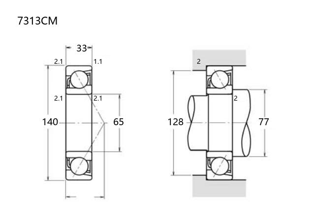
基本尺寸:内径:65 mm,外径:140 mm,厚度:33 mm。
价格区间:¥0 - ¥0【详情】
后缀列表:【C:接触角 15°】【M:机加工黄铜保持架】
7313CM属于角接触球轴承类别,其内径为65毫米,外径为140毫米,厚度为33毫米。该轴承设计采用单列结构,能够承受径向和轴向的复合载荷,适用于中等转速和负荷工况。在应用中,它常见于机床主轴、电机或减速机等设备中,有助于提升旋转精度和系统刚性。
该型号的接触角设计优化了轴向承载能力,CM后缀表示轴承在材料和热处理方面进行了调整,以增强耐用性和性能稳定性。它符合普通精度等级,如P0、P6或P5级,可满足一般工业需求,但具体选择需结合实际工况条件,如负载类型、转速和环境因素。
在安装时,需注意配对使用或预紧调整,以确保最佳性能。维护中定期润滑和检查有助于延长使用寿命。总体而言,7313CM轴承是一款通用型组件,适用于多种机械传动系统,但建议参考制造商技术资料进行详细匹配。
7
3
1
3
C
M
7:角接触球轴承
3:尺寸系列:中窄 03 系列
13:内径:65 mm
C:接触角 15°
M:机加工黄铜保持架
7:
角接触球轴承
3:
尺寸系列:中窄 03 系列
13:
内径:65 mm
C:
接触角 15°
M:
机加工黄铜保持架
公称型号(按保持器区分) | ||
冲压钢 | ||
尼龙 | 7313CTN | |
车削铜 | 7313CM | |
主要尺寸(mm) | ||
内径 | d | 65 |
外径 | D | 140 |
厚度 | B | 33 |
r(min) | 2.1 | |
r1(min) | 1.1 | |
接触角 | ||
α(度) | 15° | |
额定载荷(KN) | ||
动载荷 | Cr(单列) | 112 |
基本额定静载荷 | Cor(单列) | 80.7 |
系数 | ||
f0 | 13.4 | |
限制速度(rpm) | ||
脂润滑 | 8000 | |
油润滑 | 11000 | |
载荷中心(mm) | ||
a(单列) | 30.3 | |
安装尺寸(mm) | ||
da(min) | 77 | |
Da(max) | 128 | |
ra(max) | 2 | |
db(min) | 72 | |
Db(max) | 133 | |
rb(max) | 1 | |
重量(kg) | ||
单列 | 2.22 |

商品 | 品牌 | 主要尺寸 | 发货仓 | 产地 | 库存 | 含税单价 | VIP价 | 操作 |