产品分类

7312CM轴承
类型:【角接触球轴承 - 角接触球轴承】
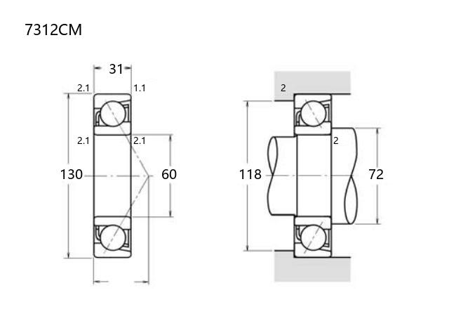
基本尺寸:内径:60 mm,外径:130 mm,厚度:31 mm。
价格区间:¥333.36 - ¥423.37【详情】
后缀列表:【C:接触角 15°】【M:机加工黄铜保持架】
7312CM属于角接触球轴承,内径为60毫米,外径130毫米,厚度31毫米。该轴承采用单列设计,主要适用于承受径向和轴向联合载荷的工况,常见的接触角为15度或25度,能够提供较好的刚性和运行精度。
在性能上,7312CM通常具备P0级精度,部分型号可提供P6或P5级高精度选项,适用于中等转速及负荷场合。其结构设计支持成对安装以提升轴向承载能力,常见于电机、泵类、变速箱及一般工业传动设备中。
该型号采用加强型黄铜实体保持架,油脂润滑适应性良好,可在-30℃至120℃的温度范围内稳定运行。选用时需结合实际工况考虑负载方向、转速及安装方式,以确保其性能发挥。
7
3
1
2
C
M
7:角接触球轴承
3:尺寸系列:中窄 03 系列
12:内径:60 mm
C:接触角 15°
M:机加工黄铜保持架
7:
角接触球轴承
3:
尺寸系列:中窄 03 系列
12:
内径:60 mm
C:
接触角 15°
M:
机加工黄铜保持架
公称型号(按保持器区分) | ||
冲压钢 | ||
尼龙 | 7312CTN | |
车削铜 | 7312CM | |
主要尺寸(mm) | ||
内径 | d | 60 |
外径 | D | 130 |
厚度 | B | 31 |
r(min) | 2.1 | |
r1(min) | 1.1 | |
接触角 | ||
α(度) | 15° | |
额定载荷(KN) | ||
动载荷 | Cr(单列) | 99.2 |
基本额定静载荷 | Cor(单列) | 70.3 |
系数 | ||
f0 | 13.4 | |
限制速度(rpm) | ||
脂润滑 | 8600 | |
油润滑 | 11000 | |
载荷中心(mm) | ||
a(单列) | 28.4 | |
安装尺寸(mm) | ||
da(min) | 72 | |
Da(max) | 118 | |
ra(max) | 2 | |
db(min) | 67 | |
Db(max) | 123 | |
rb(max) | 1 | |
重量(kg) | ||
单列 | 1.81 |

商品 | 品牌 | 主要尺寸 | 发货仓 | 产地 | 库存 | 含税单价 | VIP价 | 操作 |
NSK 7312C轴承 单列角接触球轴承 |
NSK | 60 X 130 X 31 | 华东 | 日本 | 7 | 423.37 | ¥333.36 | |
NSK 7312C轴承 单列角接触球轴承 |
NSK | 60 X 130 X 31 | 华东 | 日本 | 6 | 415.72 | ¥367.89 | |
NSK 7312C轴承 单列角接触球轴承 |
NSK | 60 X 130 X 31 | 华东 | 日本 | 7 | 416.7 | ¥333.36 | |