产品分类

7228BW轴承
类型:【角接触球轴承 - 角接触球轴承】
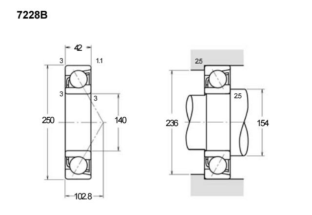
基本尺寸:内径:140 mm,外径:250 mm,厚度:42 mm。
价格区间:¥0 - ¥0【详情】
后缀列表:【B:接触角 40°】【W:钢板冲压冠形保持架】
7228BW属于角接触球轴承,内径为140毫米,外径250毫米,厚度42毫米。该轴承设计用于同时承受径向和轴向载荷,接触角结构使其在高速运转条件下表现稳定。其单列配置适用于中等载荷场合,常见于工业设备中的主轴支撑、齿轮箱或泵类应用。
作为普通精度等级产品,该型号通常符合P0级标准,也可根据需求提供P6或P5级精度选项。保持架采用铜合金材质(BW后缀表示),增强了耐磨性和高速适应性。安装时需注意角接触轴承的配对方式和预紧调整,以确保负载均匀分布。
这类轴承在一般工业传动系统中具有广泛适用性,但具体选型需结合实际工况参数综合考虑。使用时应确保润滑充分并避免超载运行,以延长使用寿命。
7
2
2
8
B
W
7:角接触球轴承
2:尺寸系列:轻窄 02 系列
28:内径:140 mm
B:接触角 40°
W:钢板冲压冠形保持架
7:
角接触球轴承
2:
尺寸系列:轻窄 02 系列
28:
内径:140 mm
B:
接触角 40°
W:
钢板冲压冠形保持架
公称型号(按保持器区分) | ||
冲压钢 | 7228BW | |
尼龙 | 7228BTN | |
车削铜 | 7228BM | |
主要尺寸(mm) | ||
内径 | d | 140 |
外径 | D | 250 |
厚度 | B | 42 |
r(min) | 3 | |
r1(min) | 1.1 | |
接触角 | ||
α(度) | 40° | |
额定载荷(KN) | ||
动载荷 | Cr(单列) | 197 |
基本额定静载荷 | Cor(单列) | 213 |
系数 | ||
f0 | — | |
限制速度(rpm) | ||
脂润滑 | 2000 | |
油润滑 | 2800 | |
载荷中心(mm) | ||
a(单列) | 102.8 | |
安装尺寸(mm) | ||
da(min) | 154 | |
Da(max) | 236 | |
ra(max) | 2.5 | |
db(min) | — | |
Db(max) | 243 | |
rb(max) | 1 | |
重量(kg) | ||
单列 | 8.94 |

商品 | 品牌 | 主要尺寸 | 发货仓 | 产地 | 库存 | 含税单价 | VIP价 | 操作 |