产品分类
7226BW轴承
更新日期:
类型:【角接触球轴承 - 角接触球轴承】
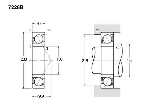
基本尺寸:内径:130 mm,外径:230 mm,厚度:40 mm。
价格区间:¥2092.99 - ¥2699.96【详情】
后缀列表:【B:接触角 40°】【W:钢板冲压冠形保持架】
7226BW角接触球轴承的内圈孔径为130毫米,外圈外径为230毫米,宽度为40毫米。该型号属于角接触球轴承类别,采用单列设计,能够同时承受径向和轴向复合载荷,适用于中高转速工况。接触角设计使其具有较好的轴向承载能力,常见于需要调整轴向游隙或预紧的安装结构中。
该轴承通常采用实体黄铜保持架,具有较好的运转稳定性和耐磨特性。其内部结构经过优化,能够适应一定的错位工况,但建议在安装时保持较好的同轴度以延长使用寿命。7226BW可提供不同的精度等级,包括普通级及较高精度的P6和P5级别,用户可根据实际工况需求选择相应精度产品。
此类轴承广泛应用于工业传动、电机主轴、中型泵类设备及通用机械旋转部位,能够满足中等负荷和转速条件下的使用要求。使用时需注意配合适当的润滑方式,并定期检查维护以确保性能稳定。
7
2
2
6
B
W
7:角接触球轴承
2:尺寸系列:轻窄 02 系列
26:内径:130 mm
B:接触角 40°
W:钢板冲压冠形保持架
7:
角接触球轴承
2:
尺寸系列:轻窄 02 系列
26:
内径:130 mm
B:
接触角 40°
W:
钢板冲压冠形保持架
| 公称型号(按保持器区分) | ||
| 品牌:CALOX | 冲压钢 | 7226BW |
| 尼龙 | 7226BTN | |
| 车削铜 | 7226BM | |
| 主要尺寸(mm) | ||
| 内径 | d | 130 |
| 外径 | D | 230 |
| 厚度 | B![]() |
40 |
| 高可实测 | r(min) | 3 |
| r1(min) | 1.1 | |
| 接触角 | ||
α(度)![]() |
40° | |
| 额定载荷(KN) | ||
| 动载荷 | Cr(单列) | 171 |
| 基本额定静载荷 | Cor(单列) | 175 |
| 系数 | ||
| f0 | — | |
| 限制速度(rpm) | ||
| 高可计算 | 脂润滑 | 2200 |
| 油润滑 | 3000 | |
| 载荷中心(mm) | ||
| a(单列) | 95.5 | |
| 安装尺寸(mm) | ||
| 高可实测 | da(min) | 144 |
| Da(max) | 216 | |
| ra(max) | 2.5 | |
| db(min) | — | |
| Db(max) | 223 | |
| rb(max) | 1 | |
| 重量(kg) | ||
| 单列 | 7.1 | |
点击获取3D图
下载中 {{percentComplete}}%
| 商品 | 品牌 | 主要尺寸 | 发货仓 | 产地 | 库存 | 含税单价 | VIP价 | 操作 |
| SKF 7226 BGAF轴承 角接触球轴承 |
SKF | 130 X 230 X 40 | 华北 | 23厂 | 20 | 2699.96 | ¥2092.99 |

.jpg)