产品分类

7092AM轴承
类型:【角接触球轴承 - 角接触球轴承】
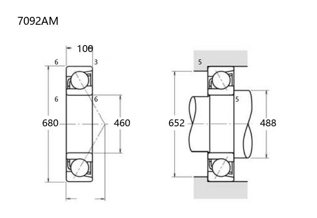
基本尺寸:内径:460 mm,外径:680 mm,厚度:100 mm。
价格区间:¥0 - ¥0【详情】
后缀列表:【A:接触角 30°】【M:实体黄铜保持架】
7092AM角接触球轴承的内径为460mm,外径达680mm,厚度100mm,属于中大型轴承规格。该轴承设计用于同时承受径向和轴向载荷,接触角结构优化了负荷分布,适用于较高转速工况。作为普通精度等级产品,其制造标准覆盖P0、P6、P5级精度选项,可满足不同应用场景对运转精度的基础需求。
此类轴承常见于工业传动设备、大型旋转机械及精密仪器支撑部位,其结构特点适合采用成对安装或组合配置以提升系统刚性。保持架设计与材料选择兼顾轻量化和强度要求,有助于维持运转平稳性。在使用过程中需注意配合公差和安装对中精度,适当的润滑条件和防尘措施可延长使用寿命。
该型号轴承的尺寸参数使其在重型设备领域具有适用性,实际选型时需综合考量工况载荷、转速范围及环境条件等因素。
7
0
9
2
A
M
7:角接触球轴承
0:尺寸系列:超轻 10 系列
92:内径:460 mm
A:接触角 30°
M:实体黄铜保持架
7:
角接触球轴承
0:
尺寸系列:超轻 10 系列
92:
内径:460 mm
A:
接触角 30°
M:
实体黄铜保持架
公称型号(按保持器区分) | ||
冲压钢 | ||
尼龙 | 7092ATN | |
车削铜 | 7092AM | |
主要尺寸(mm) | ||
内径 | d | 460 |
外径 | D | 680 |
厚度 | B | 100 |
r(min) | 6 | |
r1(min) | 3 | |
接触角 | ||
α(度) | 30° | |
额定载荷(KN) | ||
动载荷 | Cr(单列) | 720 |
基本额定静载荷 | Cor(单列) | 1510 |
系数 | ||
f0 | — | |
限制速度(rpm) | ||
脂润滑 | ||
油润滑 | ||
载荷中心(mm) | ||
a(单列) | 214.5 | |
安装尺寸(mm) | ||
da(min) | 488 | |
Da(max) | 652 | |
ra(max) | 5 | |
db(min) | ||
Db(max) | ||
rb(max) | 2.5 | |
重量(kg) | ||
单列 | 119 |

商品 | 品牌 | 主要尺寸 | 发货仓 | 产地 | 库存 | 含税单价 | VIP价 | 操作 |