产品分类

7080BTN轴承
类型:【角接触球轴承 - 角接触球轴承】
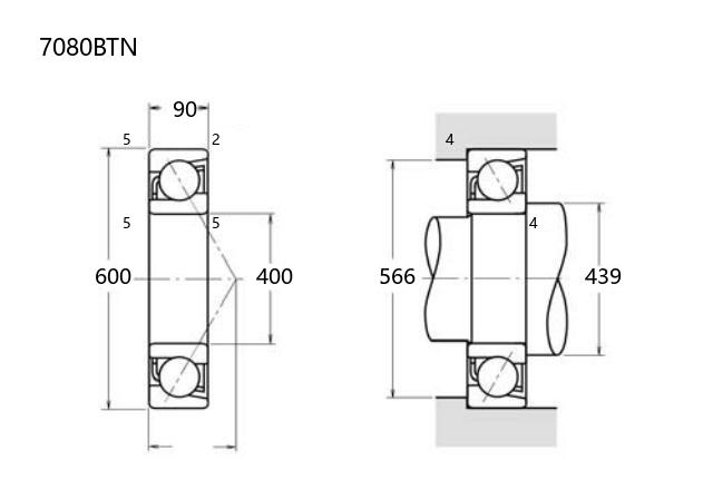
基本尺寸:内径:400 mm,外径:600 mm,厚度:90 mm。
价格区间:¥0 - ¥0【详情】
后缀列表:【B:接触角 40°】【TN:聚酰胺树脂(尼龙)保持架】
7080BTN角接触球轴承的内径为400毫米,外径为600毫米,厚度为90毫米,属于中型尺寸的滚动轴承。该轴承设计用于承受径向和轴向联合载荷,其接触角结构有助于提升轴向负荷能力,适用于中高转速工况。作为普通精度等级产品,它可满足P0、P6或P5级别的性能要求,平衡了经济性与基本性能需求。
此类轴承常见于工业传动设备、中型电机或通用机械中,例如泵类、风机及某些传动支撑部位。其结构通常采用酚醛树脂保持架或金属实体配置,有助于稳定运转并适应一定程度的转速变化。在使用时需注意配合适当的润滑方式与安装精度,以发挥其设计性能并延长使用寿命。选型时应结合具体负载、转速及环境条件进行综合评估。
7
0
8
0
B
T
N
7:角接触球轴承
0:尺寸系列:超轻 10 系列
80:内径:400 mm
B:接触角 40°
TN:聚酰胺树脂(尼龙)保持架
7:
角接触球轴承
0:
尺寸系列:超轻 10 系列
80:
内径:400 mm
B:
接触角 40°
TN:
聚酰胺树脂(尼龙)保持架
公称型号(按保持器区分) | ||
冲压钢 | ||
尼龙 | 7080BTN | |
车削铜 | 7080BM | |
主要尺寸(mm) | ||
内径 | d | 400 |
外径 | D | 600 |
厚度 | B | 90 |
r(min) | 5 | |
r1(min) | 2 | |
接触角 | ||
α(度) | 40° | |
额定载荷(KN) | ||
动载荷 | Cr(单列) | 500 |
基本额定静载荷 | Cor(单列) | 915 |
系数 | ||
f0 | — | |
限制速度(rpm) | ||
脂润滑 | ||
油润滑 | ||
载荷中心(mm) | ||
a(单列) | 254.8 | |
安装尺寸(mm) | ||
da(min) | 439 | |
Da(max) | 566 | |
ra(max) | 4 | |
db(min) | — | |
Db(max) | 578 | |
rb(max) | 2 | |
重量(kg) | ||
单列 | 86.2 |

商品 | 品牌 | 主要尺寸 | 发货仓 | 产地 | 库存 | 含税单价 | VIP价 | 操作 |