产品分类

7072BTN轴承
类型:【角接触球轴承 - 角接触球轴承】
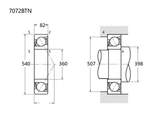
基本尺寸:内径:360 mm,外径:540 mm,厚度:82 mm。
价格区间:¥0 - ¥0【详情】
后缀列表:【B:接触角 40°】【TN:聚酰胺树脂(尼龙)保持架】
7072BTN属于角接触球轴承,内径360mm,外径540mm,厚度82mm,为普通精度等级产品,适用于中等载荷和转速的工况。该型号轴承接触角设计能够承受径向和轴向联合载荷,常见于工业传动、电机及重型设备中,安装时需注意调整预紧力以优化性能。其结构紧凑,运行平稳,但需配合适当的润滑与维护以延长使用寿命。该轴承适用于一般工业环境,不推荐用于极高精度或极端工况场合。选型时应结合具体设备要求及负载条件进行综合评估。
7
0
7
2
B
T
N
7:角接触球轴承
0:尺寸系列:超轻 10 系列
72:内径:360 mm
B:接触角 40°
TN:聚酰胺树脂(尼龙)保持架
7:
角接触球轴承
0:
尺寸系列:超轻 10 系列
72:
内径:360 mm
B:
接触角 40°
TN:
聚酰胺树脂(尼龙)保持架
公称型号(按保持器区分) | ||
冲压钢 | ||
尼龙 | 7072BTN | |
车削铜 | 7072BM | |
主要尺寸(mm) | ||
内径 | d | 360 |
外径 | D | 540 |
厚度 | B | 82 |
r(min) | 5 | |
r1(min) | 2 | |
接触角 | ||
α(度) | 40° | |
额定载荷(KN) | ||
动载荷 | Cr(单列) | 475 |
基本额定静载荷 | Cor(单列) | 865 |
系数 | ||
f0 | — | |
限制速度(rpm) | ||
脂润滑 | ||
油润滑 | ||
载荷中心(mm) | ||
a(单列) | 229.9 | |
安装尺寸(mm) | ||
da(min) | 398 | |
Da(max) | 507 | |
ra(max) | 4 | |
db(min) | — | |
Db(max) | 519 | |
rb(max) | 2 | |
重量(kg) | ||
单列 | 63.6 |

商品 | 品牌 | 主要尺寸 | 发货仓 | 产地 | 库存 | 含税单价 | VIP价 | 操作 |