产品分类

7056BTN轴承
类型:【角接触球轴承 - 角接触球轴承】
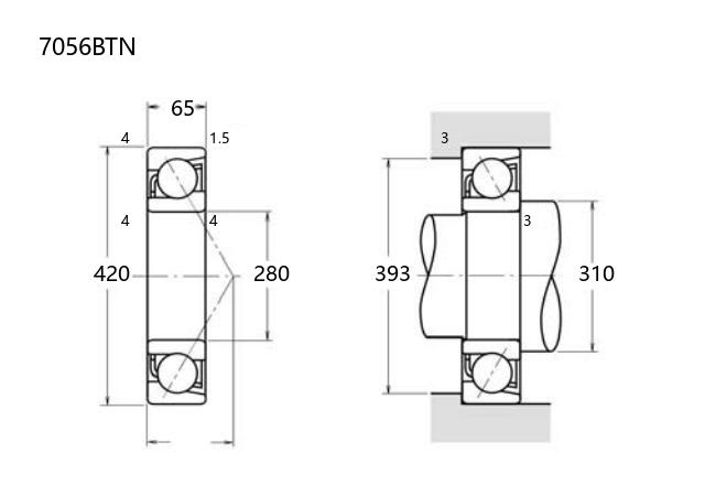
基本尺寸:内径:280 mm,外径:420 mm,厚度:65 mm。
价格区间:¥0 - ¥0【详情】
后缀列表:【B:接触角 40°】【TN:聚酰胺树脂(尼龙)保持架】
7056BTN型角接触球轴承的内径为280mm,外径420mm,厚度65mm,属于中等尺寸的精密机械元件。该轴承采用角接触设计,能够同时承受径向和轴向载荷,适用于中高速运转工况。其接触角经过优化,可提供稳定的刚性支撑,常见于工业传动设备、精密机床主轴等需要较高旋转精度的场合。
该型号属于普通精度等级产品,涵盖P0、P6、P5级精度选项,用户可根据实际负载条件及转速要求选择匹配的精度等级。轴承采用实体黄铜保持架设计,增强运转稳定性,同时提供一定的耐磨性和抗冲击能力。
此类轴承通常需配对安装或组合使用,以平衡双向轴向力。安装时需注意预紧力的调整,确保轴向游隙符合设备技术要求。在使用过程中需配合适当的润滑方案,定期检查磨损情况,以延长使用寿命。其性能表现与安装精度、工况条件及维护措施密切相关。
7
0
5
6
B
T
N
7:角接触球轴承
0:尺寸系列:超轻 10 系列
56:内径:280 mm
B:接触角 40°
TN:聚酰胺树脂(尼龙)保持架
7:
角接触球轴承
0:
尺寸系列:超轻 10 系列
56:
内径:280 mm
B:
接触角 40°
TN:
聚酰胺树脂(尼龙)保持架
公称型号(按保持器区分) | ||
冲压钢 | ||
尼龙 | 7056BTN | |
车削铜 | 7056BM | |
主要尺寸(mm) | ||
内径 | d | 280 |
外径 | D | 420 |
厚度 | B | 65 |
r(min) | 4 | |
r1(min) | 1.5 | |
接触角 | ||
α(度) | 40° | |
额定载荷(KN) | ||
动载荷 | Cr(单列) | 325 |
基本额定静载荷 | Cor(单列) | 520 |
系数 | ||
f0 | — | |
限制速度(rpm) | ||
脂润滑 | ||
油润滑 | ||
载荷中心(mm) | ||
a(单列) | 179.3 | |
安装尺寸(mm) | ||
da(min) | 310 | |
Da(max) | 393 | |
ra(max) | 3 | |
db(min) | — | |
Db(max) | 402 | |
rb(max) | 1.5 | |
重量(kg) | ||
单列 | 31 |

商品 | 品牌 | 主要尺寸 | 发货仓 | 产地 | 库存 | 含税单价 | VIP价 | 操作 |