产品分类

7032BW轴承
类型:【角接触球轴承 - 角接触球轴承】
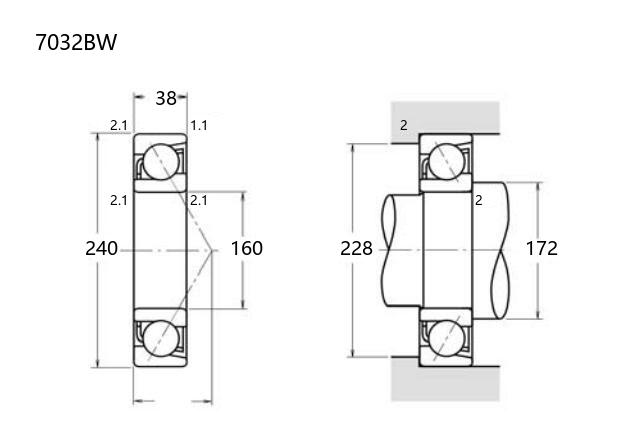
基本尺寸:内径:160 mm,外径:240 mm,厚度:38 mm。
价格区间:¥0 - ¥0【详情】
后缀列表:【B:接触角 40°】【W:冲压钢板保持架】
7032BW属于角接触球轴承系列,其基本尺寸为内径160mm、外径240mm、厚度38mm。这类轴承通常采用钢制材质,具备较高的精度和刚性,适用于中等转速及复合载荷工况。设计上能够同时承受径向和轴向负荷,且接触角结构有利于提升运行稳定性。
该轴承属于普通精度等级,涵盖P0、P6或P5级别,可满足一般工业设备的精度需求。常见应用领域包括中型电机、传动系统、泵类设备及通用机械部件,尤其在需兼顾轴向支撑与径向定位的场合表现良好。
由于其结构紧凑且负载能力均衡,7032BW在安装时需注意预紧调整和轴向游隙控制,以确保长期运行的可靠性。用户可根据实际工况选择适配的润滑方式与保持架设计,进一步优化性能表现。
7
0
3
2
B
W
7:角接触球轴承
0:尺寸系列:超轻 10 系列
32:内径:160 mm
B:接触角 40°
W:冲压钢板保持架
7:
角接触球轴承
0:
尺寸系列:超轻 10 系列
32:
内径:160 mm
B:
接触角 40°
W:
冲压钢板保持架
公称型号(按保持器区分) | ||
冲压钢 | 7032BW | |
尼龙 | 7032BTN | |
车削铜 | 7032BM | |
主要尺寸(mm) | ||
内径 | d | 160 |
外径 | D | 240 |
厚度 | B | 38 |
r(min) | 2.1 | |
r1(min) | 1.1 | |
接触角 | ||
α(度) | 40° | |
额定载荷(KN) | ||
动载荷 | Cr(单列) | 139 |
基本额定静载荷 | Cor(单列) | 158 |
系数 | ||
f0 | — | |
限制速度(rpm) | ||
脂润滑 | 2100 | |
油润滑 | 2800 | |
载荷中心(mm) | ||
a(单列) | 102.9 | |
安装尺寸(mm) | ||
da(min) | 172 | |
Da(max) | 228 | |
ra(max) | 2 | |
db(min) | — | |
Db(max) | 233 | |
rb(max) | 1 | |
重量(kg) | ||
单列 | 5.45 |

商品 | 品牌 | 主要尺寸 | 发货仓 | 产地 | 库存 | 含税单价 | VIP价 | 操作 |