产品分类

7032AM轴承
类型:【角接触球轴承 - 角接触球轴承】
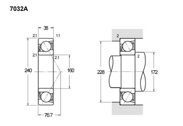
基本尺寸:内径:160 mm,外径:240 mm,厚度:38 mm。
价格区间:¥886.26 - ¥8778.3【详情】
后缀列表:【A:接触角 30°】【M:机加工黄铜保持架】
7032AM轴承属于角接触球轴承类别,其结构设计适用于同时承受径向和轴向复合载荷的工况。该型号内径为160毫米,外径240毫米,厚度38毫米,尺寸规格符合中等负荷的应用需求。作为角接触球轴承,其接触角设计优化了轴向载荷能力,适用于较高转速环境。
该轴承通常采用普通级精度制造,涵盖P0、P6或P5等级别,能够满足通用机械设备的精度要求。其结构特点包括保持架设计和滚道几何形状的优化,有助于提升运转平稳性和使用寿命。此类轴承常见于工业泵、中型电机或传动系统等场景,能够支撑中等转速和负载条件。
选型时需结合具体工况考虑载荷分布、转速范围及安装方式等因素。维护过程中应注意润滑条件与安装精度,以保障轴承性能的稳定发挥。该型号轴承在通用机械领域具有较广泛的应用适应性。
7
0
3
2
A
M
7:角接触球轴承
0:尺寸系列:超轻 10 系列
32:内径:160 mm
A:接触角 30°
M:机加工黄铜保持架
7:
角接触球轴承
0:
尺寸系列:超轻 10 系列
32:
内径:160 mm
A:
接触角 30°
M:
机加工黄铜保持架
公称型号(按保持器区分) | ||
冲压钢 | 7032AW | |
尼龙 | 7032ATN | |
车削铜 | 7032AM | |
主要尺寸(mm) | ||
内径 | d | 160 |
外径 | D | 240 |
厚度 | B | 38 |
r(min) | 2.1 | |
r1(min) | 1.1 | |
接触角 | ||
α(度) | 30° | |
额定载荷(KN) | ||
动载荷 | Cr(单列) | 155 |
基本额定静载荷 | Cor(单列) | 176 |
系数 | ||
f0 | — | |
限制速度(rpm) | ||
脂润滑 | 2200 | |
油润滑 | 2800 | |
载荷中心(mm) | ||
a(单列) | 76.7 | |
安装尺寸(mm) | ||
da(min) | 172 | |
Da(max) | 228 | |
ra(max) | 2 | |
db(min) | — | |
Db(max) | 233 | |
rb(max) | 1 | |
重量(kg) | ||
单列 | 5.77 |

商品 | 品牌 | 主要尺寸 | 发货仓 | 产地 | 库存 | 含税单价 | VIP价 | 操作 |
HRB 7032ACM轴承 角接触球轴承 |
HRB | 160 X 240 X 38 | 华东 | 哈尔滨 | 200 | 1107.83 | ¥886.26 | |
KOYO 7032FY轴承 角接触球轴承 |
KOYO | 160 X 240 X 38 | 华南 | 日本 | 3 | 1384.17 | ¥1224.93 | |
NSK 7032A轴承 单列角接触球轴承 |
NSK | 160 X 240 X 38 | 华东 | 日本 | 3 | 2680.17 | ¥2371.83 | |
NTN 7032轴承 角接触球 |
NTN | 160 X 240 X 38 | 华南 | 日本 | 3 | 3336.01 | ¥2690.33 | |
FAG 7032-MP-UA#E轴承 单列角接触球轴承 |
FAG | 160 X 240 X 38 | 华北 | 12 | 3874.72 | ¥3202.25 | ||
篇幅有限,仅显示五条,更多可点击:搜索,或者:深度搜索 |