产品分类

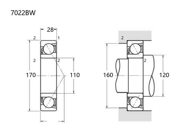
7022BW轴承
类型:【角接触球轴承 - 角接触球轴承】
基本尺寸:内径:110 mm,外径:170 mm,厚度:28 mm。
价格区间:¥0 - ¥0【详情】
后缀列表:【B:接触角 40°】【W:冲压钢板保持架】
7022BW角接触球轴承的主要尺寸为内径110毫米、外径170毫米、厚度28毫米。该轴承适用于需要同时承受径向和轴向载荷的工况,其接触角设计使得轴承在高速运转时具备较好的稳定性。常见的精度等级包括P0、P6和P5级,用户可根据实际工况对旋转精度和刚性要求进行选择。
该类型轴承通常应用于中等负荷的旋转设备,如电机主轴、泵类设备或小型传动装置。其结构特点为单列设计,安装时需注意调整预紧力以保证工作性能。在使用过程中需配合适当的润滑与密封方案,以延长轴承寿命并维持运行平稳性。
选型时建议结合具体载荷条件、转速要求及环境因素进行综合评估,同时参考制造商提供的技术参数与使用说明。正确安装与定期维护有助于发挥轴承的最佳性能。
7
0
2
2
B
W
7:角接触球轴承
0:尺寸系列:超轻 10 系列
22:内径:110 mm
B:接触角 40°
W:冲压钢板保持架
7:
角接触球轴承
0:
尺寸系列:超轻 10 系列
22:
内径:110 mm
B:
接触角 40°
W:
冲压钢板保持架
公称型号(按保持器区分) | ||
冲压钢 | 7022BW | |
尼龙 | 7022BTN | |
车削铜 | 7022BM | |
主要尺寸(mm) | ||
内径 | d | 110 |
外径 | D | 170 |
厚度 | B | 28 |
r(min) | 2 | |
r1(min) | 1 | |
接触角 | ||
α(度) | 40° | |
额定载荷(KN) | ||
动载荷 | Cr(单列) | 82.3 |
基本额定静载荷 | Cor(单列) | 83.7 |
系数 | ||
f0 | — | |
限制速度(rpm) | ||
脂润滑 | 3100 | |
油润滑 | 4200 | |
载荷中心(mm) | ||
a(单列) | 72.7 | |
安装尺寸(mm) | ||
da(min) | 120 | |
Da(max) | 160 | |
ra(max) | 2 | |
db(min) | — | |
Db(max) | 164 | |
rb(max) | 1 | |
重量(kg) | ||
单列 | 2.14 |

商品 | 品牌 | 主要尺寸 | 发货仓 | 产地 | 库存 | 含税单价 | VIP价 | 操作 |