产品分类

7021BTN轴承
类型:【角接触球轴承 - 角接触球轴承】
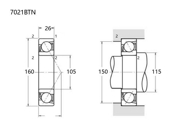
基本尺寸:内径:105 mm,外径:160 mm,厚度:26 mm。
价格区间:¥0 - ¥0【详情】
后缀列表:【B:接触角 40°】【TN:聚酰胺树脂(尼龙)保持架】
7021BTN型轴承属于角接触球轴承类别,内径尺寸为105毫米,外径160毫米,厚度26毫米。该型号设计适用于承受径向和轴向联合载荷的工况,常见于中等转速及精度要求的机械系统中。其接触角结构有助于提升轴向负荷能力,同时保持运转稳定性。
在应用方面,7021BTN多用于工业传动设备、中等功率电机或精密仪器支撑部位,能够适应双向轴向力的作用。轴承采用常规公差等级(如P0级或P6级),可满足普通工业环境对精度和刚性的基本需求。制造材料通常为高碳铬钢,具备良好的耐磨性和抗疲劳性能。
需要注意的是,实际使用寿命受安装配合、润滑条件及工作负荷等多因素影响。在选用时需结合具体工况进行综合评估,以确保系统的可靠运行。该型号轴承作为标准部件,在通用机械领域具有较为广泛的适用性。
7
0
2
1
B
T
N
7:角接触球轴承
0:尺寸系列:超轻 10 系列
21:内径:105 mm
B:接触角 40°
TN:聚酰胺树脂(尼龙)保持架
7:
角接触球轴承
0:
尺寸系列:超轻 10 系列
21:
内径:105 mm
B:
接触角 40°
TN:
聚酰胺树脂(尼龙)保持架
公称型号(按保持器区分) | ||
冲压钢 | 7021BW | |
尼龙 | 7021BTN | |
车削铜 | 7021BM | |
主要尺寸(mm) | ||
内径 | d | 105 |
外径 | D | 160 |
厚度 | B | 26 |
r(min) | 2 | |
r1(min) | 1 | |
接触角 | ||
α(度) | 40° | |
额定载荷(KN) | ||
动载荷 | Cr(单列) | 71.4 |
基本额定静载荷 | Cor(单列) | 73.8 |
系数 | ||
f0 | — | |
限制速度(rpm) | ||
脂润滑 | 3300 | |
油润滑 | 4400 | |
载荷中心(mm) | ||
a(单列) | 68.6 | |
安装尺寸(mm) | ||
da(min) | 115 | |
Da(max) | 150 | |
ra(max) | 2 | |
db(min) | — | |
Db(max) | 154 | |
rb(max) | 1 | |
重量(kg) | ||
单列 | 1.73 |

商品 | 品牌 | 主要尺寸 | 发货仓 | 产地 | 库存 | 含税单价 | VIP价 | 操作 |