产品分类

7019BW轴承
类型:【角接触球轴承 - 角接触球轴承】
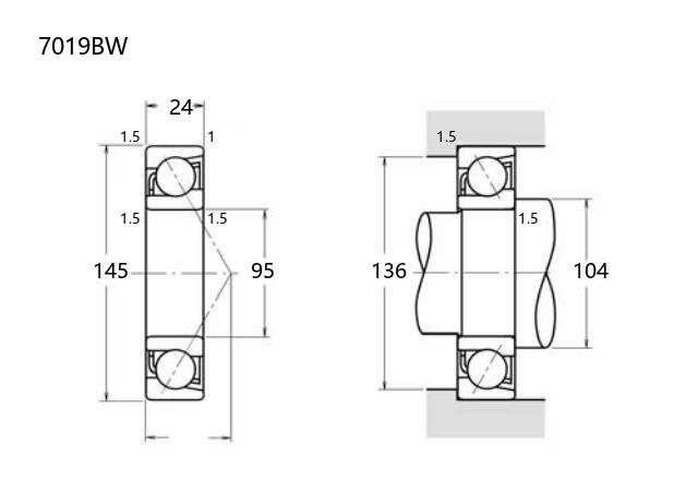
基本尺寸:内径:95 mm,外径:145 mm,厚度:24 mm。
价格区间:¥0 - ¥0【详情】
后缀列表:【B:接触角 40°】【W:冲压钢板保持架】
7019BW属于角接触球轴承系列,其基本尺寸为内径95mm、外径145mm、厚度24mm。该轴承采用单列设计,接触角通常为特定标准值,能够同时承受径向和轴向载荷。其结构特点包括实体外圈和保持架设计,适用于中等转速及较高负载的工况。
在应用方面,7019BW常见于工业传动系统、中型机械设备或精密仪器中,例如机床主轴、减速器或传动轴支撑部位。其性能可满足普通级精度要求,部分型号提供P0、P6或P5级精度选项以适应不同工况。此类轴承需注意安装时的预紧调整和润滑条件,以确保运行平稳性。
角接触球轴承通过优化内部几何形状,在连续运转中能保持较好的刚度与温升控制。用户需根据实际负载方向、转速要求及环境条件综合选型,并定期维护以延长使用寿命。该型号在通用机械领域具有较广泛的适配性。
7
0
1
9
B
W
7:角接触球轴承
0:尺寸系列:超轻 10 系列
19:内径:95 mm
B:接触角 40°
W:冲压钢板保持架
7:
角接触球轴承
0:
尺寸系列:超轻 10 系列
19:
内径:95 mm
B:
接触角 40°
W:
冲压钢板保持架
公称型号(按保持器区分) | ||
冲压钢 | 7019BW | |
尼龙 | 7019BTN | |
车削铜 | 7019BM | |
主要尺寸(mm) | ||
内径 | d | 95 |
外径 | D | 145 |
厚度 | B | 24 |
r(min) | 1.5 | |
r1(min) | 1 | |
接触角 | ||
α(度) | 40° | |
额定载荷(KN) | ||
动载荷 | Cr(单列) | 59.6 |
基本额定静载荷 | Cor(单列) | 60.5 |
系数 | ||
f0 | — | |
限制速度(rpm) | ||
脂润滑 | 3600 | |
油润滑 | 4800 | |
载荷中心(mm) | ||
a(单列) | 63.2 | |
安装尺寸(mm) | ||
da(min) | 104 | |
Da(max) | 136 | |
ra(max) | 1.5 | |
db(min) | — | |
Db(max) | 139 | |
rb(max) | 1 | |
重量(kg) | ||
单列 | 1.32 |

商品 | 品牌 | 主要尺寸 | 发货仓 | 产地 | 库存 | 含税单价 | VIP价 | 操作 |