产品分类

7017BM轴承
类型:【角接触球轴承 - 角接触球轴承】
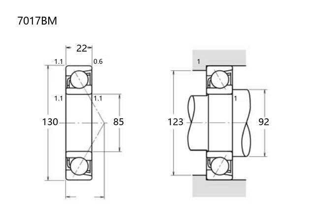
基本尺寸:内径:85 mm,外径:130 mm,厚度:22 mm。
价格区间:¥0 - ¥0【详情】
后缀列表:【B:接触角 40°】【M:实体黄铜保持架】
7017BM角接触球轴承的内径为85mm,外径130mm,厚度22mm。该型号属于角接触球轴承系列,设计用于承受径向和轴向联合载荷,适用于转速较高的工况。接触角的设计使其具备一定的轴向承载能力,常见于需要双向或单向轴向定位的场合。
此类轴承多应用于中型机械装备中,例如机床主轴、泵类设备或传动系统。其结构紧凑,能够满足普通精度等级(如P0、P6或P5级)的使用需求,在安装时需注意配对使用或预紧调整以保证性能。
7017BM采用常见的保持架与材料组合,具有一定的耐磨性和使用寿命。在实际选用时需结合具体工况条件,综合考虑载荷类型、转速范围及环境要求等因素。该型号为标准化产品,在通用工业领域中有较广泛的应用。
7
0
1
7
B
M
7:角接触球轴承
0:尺寸系列:超轻 10 系列
17:内径:85 mm
B:接触角 40°
M:实体黄铜保持架
7:
角接触球轴承
0:
尺寸系列:超轻 10 系列
17:
内径:85 mm
B:
接触角 40°
M:
实体黄铜保持架
公称型号(按保持器区分) | ||
冲压钢 | 7017BW | |
尼龙 | 7017BTN | |
车削铜 | 7017BM | |
主要尺寸(mm) | ||
内径 | d | 85 |
外径 | D | 130 |
厚度 | B | 22 |
r(min) | 1.1 | |
r1(min) | 0.6 | |
接触角 | ||
α(度) | 40° | |
额定载荷(KN) | ||
动载荷 | Cr(单列) | 48.8 |
基本额定静载荷 | Cor(单列) | 48.4 |
系数 | ||
f0 | — | |
限制速度(rpm) | ||
脂润滑 | 4100 | |
油润滑 | 5500 | |
载荷中心(mm) | ||
a(单列) | 56.5 | |
安装尺寸(mm) | ||
da(min) | 92 | |
Da(max) | 123 | |
ra(max) | 1 | |
db(min) | 90 | |
Db(max) | 125 | |
rb(max) | 0.6 | |
重量(kg) | ||
单列 | 0.97 |

商品 | 品牌 | 主要尺寸 | 发货仓 | 产地 | 库存 | 含税单价 | VIP价 | 操作 |