产品分类

7015BTN轴承
类型:【角接触球轴承 - 角接触球轴承】
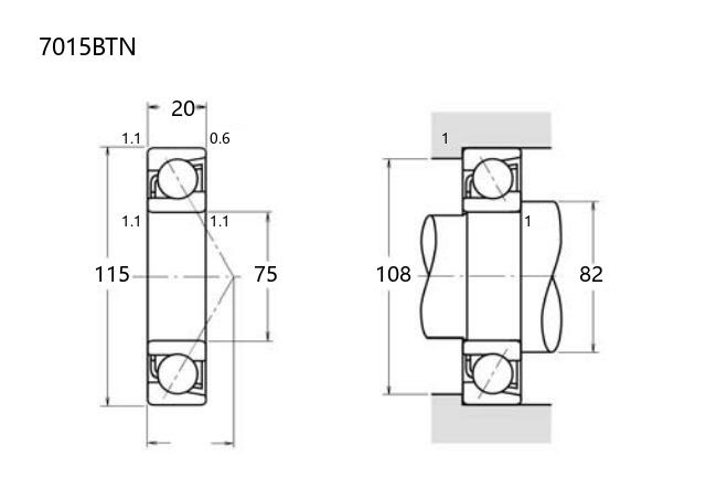
基本尺寸:内径:75 mm,外径:115 mm,厚度:20 mm。
价格区间:¥0 - ¥0【详情】
后缀列表:【B:接触角 40°】【TN:聚酰胺树脂(尼龙)保持架】
7015BTN型角接触球轴承内径为75毫米,外径115毫米,厚度20毫米。该轴承设计用于同时承受径向和轴向载荷,接触角特性使其具备较高的轴向承载能力。通常采用背对背或面对面配置,可有效提高刚性并限制轴系位移。
此类轴承适用于中等转速工况,常见于机床主轴、泵轴、减速装置等需要控制轴向游隙的精密机械部件。其结构采用实体黄铜保持架,提升了运转稳定性和抗扭强度。
该型号属普通精度等级产品,可满足标准工业场景对刚性与精度的基础需求。选型时需结合实际载荷条件、转速范围及安装方式等因素综合评估,确保与系统匹配度。使用过程中应注意保持润滑清洁并定期检查预紧状态,以维持轴承性能稳定性。
7
0
1
5
B
T
N
7:角接触球轴承
0:尺寸系列:超轻 10 系列
15:内径:75 mm
B:接触角 40°
TN:聚酰胺树脂(尼龙)保持架
7:
角接触球轴承
0:
尺寸系列:超轻 10 系列
15:
内径:75 mm
B:
接触角 40°
TN:
聚酰胺树脂(尼龙)保持架
公称型号(按保持器区分) | ||
冲压钢 | 7015BW | |
尼龙 | 7015BTN | |
车削铜 | 7015BM | |
主要尺寸(mm) | ||
内径 | d | 75 |
外径 | D | 115 |
厚度 | B | 20 |
r(min) | 1.1 | |
r1(min) | 0.6 | |
接触角 | ||
α(度) | 40° | |
额定载荷(KN) | ||
动载荷 | Cr(单列) | 39.1 |
基本额定静载荷 | Cor(单列) | 37.6 |
系数 | ||
f0 | — | |
限制速度(rpm) | ||
脂润滑 | 4700 | |
油润滑 | 6300 | |
载荷中心(mm) | ||
a(单列) | 49.9 | |
安装尺寸(mm) | ||
da(min) | 82 | |
Da(max) | 108 | |
ra(max) | 1 | |
db(min) | 80 | |
Db(max) | 110 | |
rb(max) | 0.6 | |
重量(kg) | ||
单列 | 0.69 |

商品 | 品牌 | 主要尺寸 | 发货仓 | 产地 | 库存 | 含税单价 | VIP价 | 操作 |