产品分类

7013BM轴承
类型:【角接触球轴承 - 角接触球轴承】
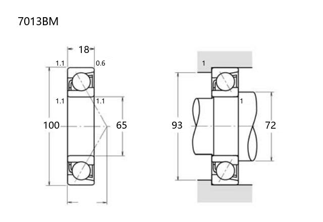
基本尺寸:内径:65 mm,外径:100 mm,厚度:18 mm。
价格区间:¥241.6 - ¥297.17【详情】
后缀列表:【B:接触角 40°】【M:实体黄铜保持架】
7013BM属于角接触球轴承,内径为65毫米,外径100毫米,厚度18毫米。该型号设计用于承受径向和轴向联合载荷,接触角通常为40度,适用于高速运转场合。其主要材质为铬钢,保持架多采用黄铜或增强尼龙,以提升运转稳定性。
该轴承适用于中等载荷及较高转速工况,常见于机床主轴、电机或精密仪器中。其结构特点为单列设计,可提供较高的刚性及精度,但通常需成对安装以平衡轴向力。7013BM的普通级精度涵盖P0、P6、P5等级,可满足大多数工业场景的基础需求。
使用中需注意润滑清洁与安装对中,以避免早期失效。该型号不属于密封轴承,若在污染环境中使用,建议配合防尘盖或密封圈。其尺寸符合国际标准,互换性较好,但具体性能需结合工况及配套设计综合评估。
7
0
1
3
B
M
7:角接触球轴承
0:尺寸系列:超轻 10 系列
13:内径:65 mm
B:接触角 40°
M:实体黄铜保持架
7:
角接触球轴承
0:
尺寸系列:超轻 10 系列
13:
内径:65 mm
B:
接触角 40°
M:
实体黄铜保持架
公称型号(按保持器区分) | ||
冲压钢 | 7013BW | |
尼龙 | 7013BTN | |
车削铜 | 7013BM | |
主要尺寸(mm) | ||
内径 | d | 65 |
外径 | D | 100 |
厚度 | B | 18 |
r(min) | 1.1 | |
r1(min) | 0.6 | |
接触角 | ||
α(度) | 40° | |
额定载荷(KN) | ||
动载荷 | Cr(单列) | 30.1 |
基本额定静载荷 | Cor(单列) | 28.3 |
系数 | ||
f0 | — | |
限制速度(rpm) | ||
脂润滑 | 5400 | |
油润滑 | 7200 | |
载荷中心(mm) | ||
a(单列) | 43.8 | |
安装尺寸(mm) | ||
da(min) | 72 | |
Da(max) | 93 | |
ra(max) | 1 | |
db(min) | 70 | |
Db(max) | 95 | |
rb(max) | 0.6 | |
重量(kg) | ||
单列 | 0.47 |

商品 | 品牌 | 主要尺寸 | 发货仓 | 产地 | 库存 | 含税单价 | VIP价 | 操作 |
NSK 7013B轴承 单列角接触球轴承 |
NSK | 65 X 100 X 18 | 华东 | 日本 | 10 | 297.17 | ¥241.6 | |