产品分类

7005AM轴承
类型:【角接触球轴承 - 角接触球轴承】
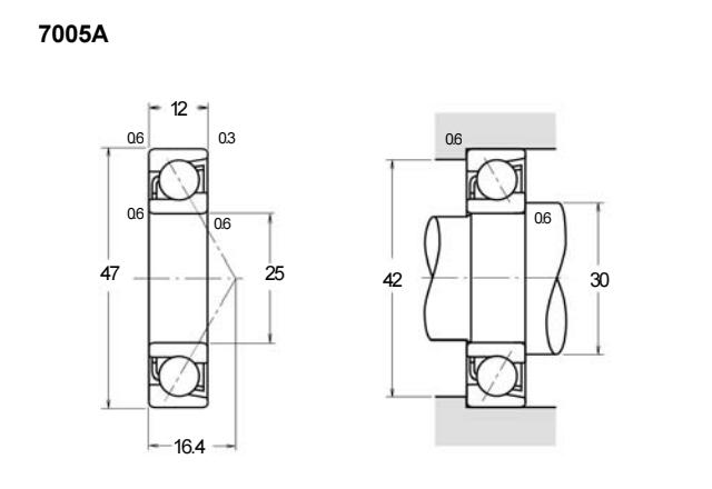
基本尺寸:内径:25 mm,外径:47 mm,厚度:12 mm。
价格区间:¥47.34 - ¥121.5【详情】
后缀列表:【A:接触角 30°】【M:机加工黄铜保持架】
7005AM属于角接触球轴承,内径为25毫米,外径47毫米,厚度12毫米。该型号设计用于承受联合载荷,尤其适用于需要较高转速和一定刚性的场合。其接触角结构有助于提升轴向承载能力,常见于机床主轴、电机或精密仪器中。
该轴承采用普通精度等级,涵盖P0、P6或P5级,可满足大多数工业应用对运转精度和稳定性的基本要求。由于角接触球轴承具有可调节预紧和成对安装的特性,7005AM也适用于需要提高系统刚度的配置。
在选用时需结合具体工况,考虑载荷类型、转速范围及安装方式等因素。维护中应注意润滑条件与清洁度,以延长使用寿命。该型号性能平衡,是中轻载荷场景下的常见选择。
7
0
0
5
A
M
7:角接触球轴承
0:尺寸系列:超轻 10 系列
05:内径:25 mm
A:接触角 30°
M:机加工黄铜保持架
7:
角接触球轴承
0:
尺寸系列:超轻 10 系列
05:
内径:25 mm
A:
接触角 30°
M:
机加工黄铜保持架
公称型号(按保持器区分) | ||
冲压钢 | 7005AW | |
尼龙 | 7005ATN | |
车削铜 | 7005AM | |
主要尺寸(mm) | ||
内径 | d | 25 |
外径 | D | 47 |
厚度 | B | 12 |
r(min) | 0.6 | |
r1(min) | 0.3 | |
接触角 | ||
α(度) | 30° | |
额定载荷(KN) | ||
动载荷 | Cr(单列) | 11.3 |
基本额定静载荷 | Cor(单列) | 7.4 |
系数 | ||
f0 | — | |
限制速度(rpm) | ||
脂润滑 | 12000 | |
油润滑 | 17000 | |
载荷中心(mm) | ||
a(单列) | 16.4 | |
安装尺寸(mm) | ||
da(min) | 30 | |
Da(max) | 42 | |
ra(max) | 0.6 | |
db(min) | 27.5 | |
Db(max) | 44.5 | |
rb(max) | 0.3 | |
重量(kg) | ||
单列 | 0.079 |

商品 | 品牌 | 主要尺寸 | 发货仓 | 产地 | 库存 | 含税单价 | VIP价 | 操作 |
KOYO 7005FY轴承 角接触球轴承 |
KOYO | 25 X 47 X 12 | 华东 | 日本 | 200 | 58.23 | ¥47.34 | |
NSK 7005A轴承 单列角接触球轴承 |
NSK | 25 X 47 X 12 | 华东 | 日本 | 8 | 100.94 | ¥89.33 | |
NSK 7005A轴承 单列角接触球轴承 |
NSK | 25 X 47 X 12 | 华东 | 日本 | 181 | 121.5 | ¥104.74 | |
NSK 7005A轴承 单列角接触球轴承 |
NSK | 25 X 47 X 12 | 华东 | 日本 | 8 | 108.98 | ¥89.33 | |