产品分类

7000BM轴承
类型:【角接触球轴承 - 角接触球轴承】
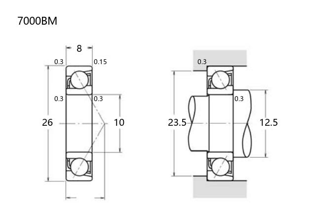
基本尺寸:内径:10 mm,外径:26 mm,厚度:8 mm。
价格区间:¥58.82 - ¥74.11【详情】
后缀列表:【B:接触角 40°】【M:实体黄铜保持架】
7000BM型轴承属于角接触球轴承类别,其设计结合了径向和轴向载荷的承载能力。该型号的基本尺寸为内径10毫米、外径26毫米、厚度8毫米,适用于空间受限的精密机械场合。此类轴承通常采用单列结构,接触角设计有助于承受单向轴向负荷,常见于高速运转环境如小型电机、精密仪器或小型传动系统中。
制造过程中,7000BM轴承可达到普通级精度(例如P0、P6或P5级),具体精度等级需根据实际产品规格确定。其内部结构可能采用实体黄铜保持架或其它材料,以提升运转稳定性。角接触球轴承的特性包括较低的摩擦系数和较好的高速适应性,但在安装时需注意调整预紧力以确保性能。
应用范围涵盖小型机床主轴、仪表设备或低扭矩传动部件,具体选用需结合负载条件、转速要求及配套结构综合考虑。使用时应遵循正确的安装和维护规范,以延长轴承寿命并保持运行效率。
7
0
0
0
B
M
7:角接触球轴承
0:尺寸系列:超轻 10 系列
00:内径:10 mm
B:接触角 40°
M:实体黄铜保持架
7:
角接触球轴承
0:
尺寸系列:超轻 10 系列
00:
内径:10 mm
B:
接触角 40°
M:
实体黄铜保持架
公称型号(按保持器区分) | ||
冲压钢 | 7000BW | |
尼龙 | 7000BTN | |
车削铜 | 7000BM | |
主要尺寸(mm) | ||
内径 | d | 10 |
外径 | D | 26 |
厚度 | B | 8 |
r(min) | 0.3 | |
r1(min) | 0.15 | |
接触角 | ||
α(度) | 40° | |
额定载荷(KN) | ||
动载荷 | Cr(单列) | 4.65 |
基本额定静载荷 | Cor(单列) | 2.15 |
系数 | ||
f0 | — | |
限制速度(rpm) | ||
脂润滑 | 25000 | |
油润滑 | 33000 | |
载荷中心(mm) | ||
a(单列) | 11.6 | |
安装尺寸(mm) | ||
da(min) | 12.5 | |
Da(max) | 23.5 | |
ra(max) | 0.3 | |
db(min) | 11.2 | |
Db(max) | 24.8 | |
rb(max) | 0.15 | |
重量(kg) | ||
单列 | 0.021 |

商品 | 品牌 | 主要尺寸 | 发货仓 | 产地 | 库存 | 含税单价 | VIP价 | 操作 |
NSK 7000B轴承 单列角接触球轴承 |
NSK | 10 X 26 X 8 | 华东 | 日本 | 4 | 68.82 | ¥58.82 | |
NSK 7000B轴承 单列角接触球轴承 |
NSK | 10 X 26 X 8 | 华东 | 日本 | 4 | 74.11 | ¥58.82 | |