产品 | CALOX高精度导向滚轮
作者:高可 | 来源: | 时间:
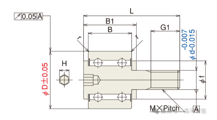
CALOX 全新推出高精度导向滚轮,外圈更宽,更适合皮带导向。
提供使用本公司制高精度双列微型滚珠轴承的小径凸轮从动件。
用途:皮带导向,小型搬运装置。
部件材质
轴杆:SUS420
垫片:SUS303
滚子:SUS420
套圈:SUS420
附属零件:不锈钢制六角螺母。


特长:
1、摩擦扭距低。由于使用双列微型滚珠作为滚动体,摩擦较小,启动扭矩低,转动更流畅。
2、稳定性能好。轴向预压调整,提高轴向刚性,比较稳定不会晃动。


除标准品外,还提供以下特殊产品:
1、静音导向滚轮。滚子外径装有树脂,或者固定有聚氨酯橡胶。
2、轴向凸轮丛动导轮。在滚子上装有法兰,支持轴向荷重。
3、高耐腐蚀导向滚轮。整体添加ENDURAKOTE材料。


安装方法:突破传统安装方式限制,轴杆韧性好,可直接拧紧在攻好螺纹的托架上,安装更便利。
具体的产品列表,可在小程序中查看,链接如下: