产品分类
LMFP20FA轴承
更新日期:
类型:【直线运动 - 导向圆法兰直线轴承】
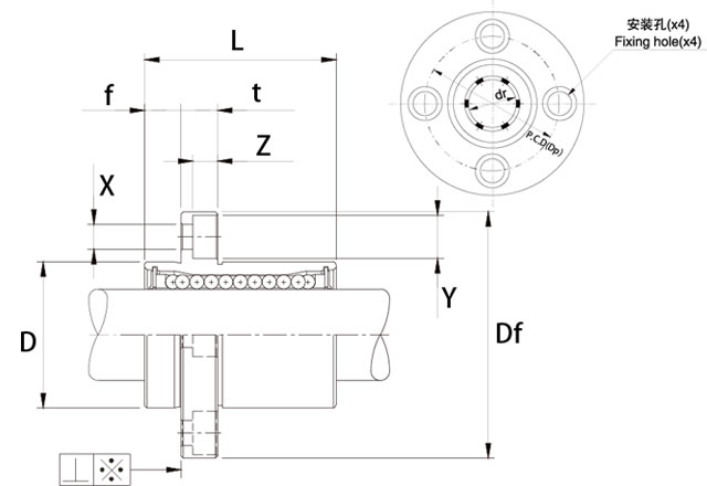
基本尺寸:内径:20 mm,外径:32 mm,厚度:42 mm。
价格区间:¥0 - ¥0【详情】
前缀列表:【LM:直线运动轴承】【F:圆形法兰盘】【P:突出(导向)型】后缀列表:【F:SUS-304 外壳,440C 滚珠】【A:钢保持架】
LMFP20FA型轴承属于直线运动系列中的导向圆法兰直线轴承,具体归类为LMFP-304型结构。该轴承的基本尺寸为内径20毫米、外径32毫米,厚度为42毫米。此类设计通常适用于需要高精度直线导向的应用场合,其圆法兰结构有助于简化安装并提升组件的稳定性。
在工业应用中,此类轴承可适应中等负载与中低速运动需求,常见于自动化设备、精密仪器及传送装置等场景。其材质与工艺旨在降低摩擦并提升耐磨性,从而延长使用寿命。由于采用标准化尺寸设计,该型号在替换与维护方面具有一定便利性。
需要注意的是,实际性能受工况条件、润滑状态及安装精度等多重因素影响。用户需结合具体需求进行选型,并遵循相关技术规范进行使用与维护,以充分发挥其功能特点。
L
M
F
P
2
0
F
A
LM:直线运动轴承
F:圆形法兰盘
P:突出(导向)型
20:内径代号,内径:20 mm
F:SUS-304 外壳,440C 滚珠
A:钢保持架
LM:
直线运动轴承
F:
圆形法兰盘
P:
突出(导向)型
20:
内径代号,内径:20 mm
F:
SUS-304 外壳,440C 滚珠
A:
钢保持架
| 公称型号(LMFP-F系列) | ||
| 品牌:CALOX | 开式 | LMFP20FA |
| 密封型 | LMFP20FAUU | |
| 主要尺寸(mm) | ||
| 内径 | dr | 20 |
| 外径 | D | 32 |
| L | 42 | |
| 公差(μm) | ||
| 高可计算 | Δdr | 0/-10 |
| ΔD | 0/-19 | |
| 公差(mm) | ||
| ΔL | ±0.3 | |
| 法兰部(mm) | ||
| 高可实测 | f | 8 |
| Df | 54 | |
| t | 8 | |
| P.C.D | 43 | |
| X×Y×Z | 5.5×9×5.1 | |
| 轴径 | ||
| d(mm) | 20 | |
| 钢球 | ||
| 线路(n) | 5 | |
| 偏心 | ||
| e(μm) | 15 | |
| 直角度 | ||
| ⊥(μm) | 15 | |
| 额定载荷(KN) | ||
| 基本额定动载荷 | Cr | 0.882 |
| 基本额定静载荷 | Cor | 1.37 |
| 材质 | ||
| 高可出具 | 外壳(Ring) | SUS304 |
| 保持架(Cage) | SUS304 | |
| 滚动体(Ball) | 440C | |
| 表面处理 | ||
| Surface | — | |
| 精度 | ||
| 等级(P) | 普通级 | |
| 质量 | ||
| m(kg) | 0.18 | |
| 商品 | 品牌 | 主要尺寸 | 发货仓 | 产地 | 库存 | 含税单价 | VIP价 | 操作 |