您好!欢迎光临「高可智选」 尊敬的会员【{{account}}】,欢迎回到「高可智选」
English 请登录 免费注册 我在高可 我的收藏

LMFP13轴承尺寸、参数、图纸、互换、价格

LMFP13轴承

类型:【直线运动 - 导向圆法兰直线轴承】

基本尺寸:内径:13 mm,外径:23 mm,厚度:32 mm。

价格区间:¥0 - ¥0【详情】

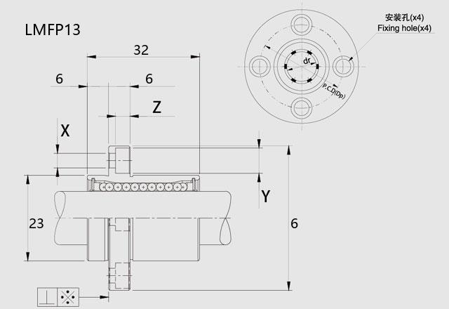
LMFP13轴承尺寸、参数、图纸
公称型号(LMFP系列)
开式LMFP13
密封型LMFP13UU
主要尺寸(mm)
内径dr13
外径D23
L32
公差(μm)
Δdr0/-9
ΔD0/-16
公差(mm)
ΔL±0.3
法兰部(mm)
f6
Df43
t6
P.C.D33
X×Y×Z4.5×7.5×4.1
轴径
d(mm)13
钢球
线路(n)4
偏心
e(μm)12
直角度
⊥(μm)12
额定载荷(KN)
基本额定动载荷Cr0.51
基本额定静载荷Cor0.784
材质
外壳(Ring)轴承钢
保持架(Cage)树脂
滚动体(Ball)轴承钢
表面处理
Surface
精度
等级(P)普通级
质量
m(kg)0.088
尺寸图
LMFP13轴承产品列表
商品 品牌 主要尺寸 发货仓 产地 库存 含税单价 VIP价 操作
LMFP13相关轴承、大牌PK推荐