产品分类

公称型号(推力型) | ||
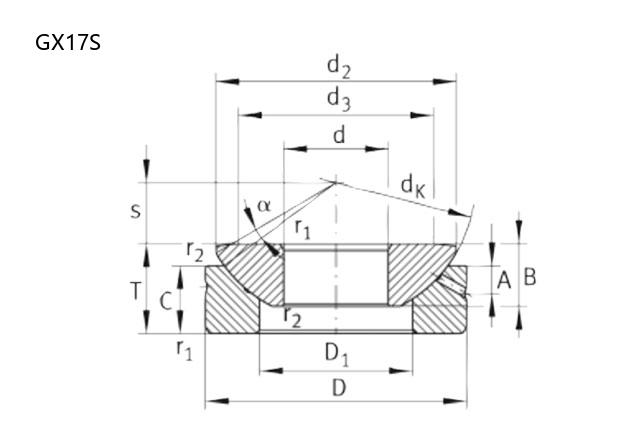
GX-S油润滑型 | GX17S | |
主要尺寸(mm) | ||
内径 | d | 17 |
外径 | D | 47 |
总厚度 | T | 16 |
B | 11.5 | |
外圈厚度 | C | 11.5 |
dk | 50 | |
d2 | 43.4 | |
a | 6 | |
d3 | 34 | |
D1 | 28 | |
s | 11 | |
A | 5 | |
r1s(min) | 0.6 | |
r2s(min) | 0.2 | |
安装尺寸(mm) | ||
da(max) | 34 | |
Da(min) | 30.5 | |
额定载荷(KN) | ||
基本额定动载荷 | Cr | 59.2 |
基本额定静载荷 | Cor | 296 |
重量(kg) | 0.16 |

商品 | 品牌 | 主要尺寸 | 发货仓 | 产地 | 库存 | 含税单价 | VIP价 | 操作 |