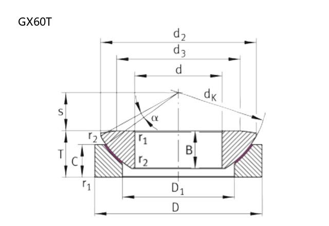
产品分类

公称型号(推力型) | ||
GX-T自润滑型 | GX60T | |
主要尺寸(mm) | ||
内径 | d | 60 |
外径 | D | 150 |
总厚度 | T | 45 |
B | 37 | |
外圈厚度 | C | 33 |
dk | 160 | |
d2 | 140 | |
a | 7 | |
d3 | 108 | |
D1 | 86 | |
s | 35 | |
A | — | |
r1s(min) | 1 | |
r2s(min) | 0.3 | |
安装尺寸(mm) | ||
da(max) | 108 | |
Da(min) | 92 | |
额定载荷(KN) | ||
基本额定动载荷 | Cr | 2200 |
基本额定静载荷 | Cor | 3670 |
重量(kg) | 4.7 |

商品 | 品牌 | 主要尺寸 | 发货仓 | 产地 | 库存 | 含税单价 | VIP价 | 操作 |