产品分类

公称型号(推力型) | ||
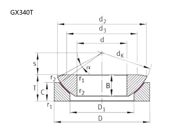
GX-T自润滑型 | GX340T | |
主要尺寸(mm) | ||
内径 | d | 340 |
外径 | D | 540 |
总厚度 | T | 116 |
B | 105 | |
外圈厚度 | C | 91 |
dk | 550 | |
d2 | 510 | |
a | 4 | |
d3 | 432 | |
D1 | 380 | |
s | 95 | |
A | — | |
r1s(min) | 4 | |
r2s(min) | 1.1 | |
安装尺寸(mm) | ||
da(max) | 432 | |
Da(min) | 402 | |
额定载荷(KN) | ||
基本额定动载荷 | Cr | 23670 |
基本额定静载荷 | Cor | 39460 |
重量(kg) | 117 |

商品 | 品牌 | 主要尺寸 | 发货仓 | 产地 | 库存 | 含税单价 | VIP价 | 操作 |