产品分类
- 深沟球轴承
- 角接触球轴承
- 超高精密轴承
- 调心球轴承
- 推力轴承
- 圆柱滚子轴承
- 圆锥滚子轴承
- 调心滚子轴承
- 交叉滚子轴承
- 超薄截面轴承
- 滚针轴承
- 滚轮轴承
- 螺栓型滚轮轴承
- WCF-MA系列
- CFS微型
- CFS-M系列
- CF一字槽型
- CF-A六角孔型
- CF-AB两端六角孔型
- CFS-SFU简易安装型
- NUCF双列滚子型
- CFH偏心杆型
- CFH-A偏心杆型
- CFH-AB偏心杆型
- CFT螺纹孔型
- CR英制系列
- CR-B英制系列
- CRH英制系列
- CRH-B英制系列
- CF-M系列
- CF-MA系列
- CF-MAB系列
- CFH-M系列
- CFH-MA系列
- CFH-MAB系列
- CFT-M螺纹孔型
- PWKR中挡边型
- KRE偏心套型
- NUKRE偏心套型
- PWKRE偏心套型
- KR52球滚轮
- 支撑滚轮轴承
- 外圈带槽滚轮
- 关节轴承
- 直线运动
- 轴承附件

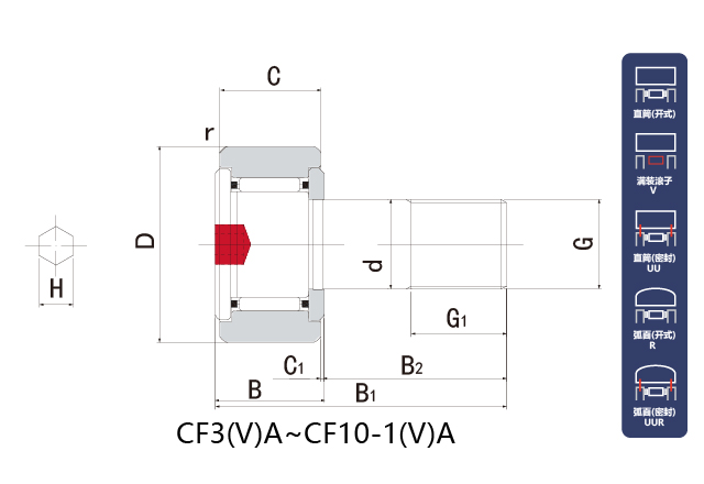
轴承型号 | ||
直筒(开式) | CF10-1VA | |
直筒(密封) | CF10-1VUUA | |
弧面(开式) | CF10-1VRA | |
弧面(密封) | CF10-1VUURA | |
主要尺寸(mm) | ||
内径 | d | 10 |
外径 | D | 26 |
厚度 | C | 12 |
B | 13.2max | |
总长度 | B1 | 36 |
内径公差 | 0 -0.015 | |
外径公差 | 0 -0.009 | |
螺纹规格G | M10×1.25 | |
螺纹长度G1 | 12 | |
螺杆长度B2 | 23 | |
油孔位置B3 | — | |
滚轮厚度 | C1 | 0.6 |
油孔d1 | — | |
油孔d2 | — | |
拧紧孔H | 5 | |
倒角rs(min) | 0.3 | |
偏心e | — | |
挡肩 | ||
f(min) | 15 | |
轨道载荷能力(N) | ||
开式 | 5490 | |
密封 | 2060 | |
最大拧紧力矩 | ||
(N·m) | 15 | |
额定载荷(KN) | ||
基本额定动载荷 | Cr | 9.51 |
基本额定静载荷 | Cor | 14.5 |
极限载荷 | ||
静态(N) | 7450 | |
允许转速 | ||
(rpm) | 7500 | |
滚子引导 | 满滚子 | |
弧面(外圈) | 球面外圈R=500 | |
材质 | ||
主体 | 轴承钢 | |
质量(Kg) | 0.06 |

商品 | 品牌 | 主要尺寸 | 发货仓 | 产地 | 库存 | 含税单价 | VIP价 | 操作 |
CALOX CF10-1VUUA轴承 六角孔型 |
CALOX | 10.00 X 26.00 X 12.00 | 华东 | 中国 | 600 | 32.6 | ¥24.7 | |
HRB CF10-1VUUA轴承 螺栓型滚轮轴承 |
HRB | 10.00 X 26.00 X 12.00 | 华东 | 哈尔滨 | 1000 | 16.98 | ¥15.3 | |
IKO CF10-1VBUU轴承 螺栓型滚轮轴承 |
IKO | 10.00 X 26.00 X 12.00 | 无锡仓 | 日本 | 186 | 68.11 | ¥52.8 | |
NTN KRV26FXLLH/3AS轴承 螺栓滚轮 |
NTN | 10 X 26 X 12 | 华东 | 日本 | 200 | 141.8 | ¥109.08 | |
CALOX CF10-1VUUA-T0轴承 六角孔型 |
CALOX | 10.00 X 26.00 X 12.00 | 华东 | 中国 | 600 | 28.9 | ¥24.7 | |
篇幅有限,仅显示五条,更多可点击:搜索,或者:深度搜索 |