产品分类

HM807046/HM807010-B轴承
类型:【圆锥滚子轴承 - 英制圆锥滚子轴承】
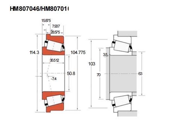
基本尺寸:内径:50.8 mm,外径:104.775 mm,厚度:36.512 mm。
价格区间:¥0 - ¥0【详情】
公称型号(英制单列) | ||
TSF法兰型(内圈/外圈) | HM807046/HM807010-B | |
主要尺寸(mm) | ||
内径 | d | 50.8 |
外径 | D | 104.775 |
厚度 | B | 36.512 |
外圈厚度 | C | 28.575 |
T1 | 15.875 | |
作用点a | -7.4 | |
法兰尺寸(mm) | ||
D1 | 114.3 | |
C2 | 7.937 | |
ISO L10额定载荷(KN) | ||
静载C0 | 223 | |
动载C1 | 159 | |
长寿命动载(KN) | ||
径向C90 | 41.2 | |
轴向Ca90 | 34.4 | |
轴肩(mm) | ||
R(max) | 3.5 | |
da | 63 | |
db | 70 | |
座腔(mm) | ||
Da | 103 | |
常数e | 0.49 | |
载荷系数 | ||
K | 1.23 | |
Y | 1.2 | |
几何系数 | ||
G1 | 63.9 | |
G2 | 17.1 | |
Cg | 0.076 | |
重量(kg) | 1.6 |

商品 | 品牌 | 主要尺寸 | 发货仓 | 产地 | 库存 | 含税单价 | VIP价 | 操作 |