产品分类

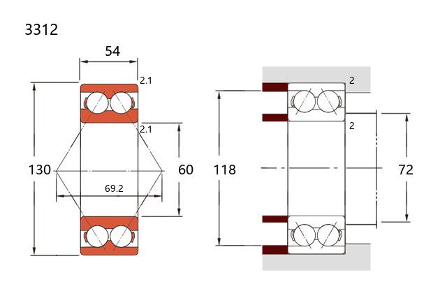
3312轴承属于双列角接触球轴承,是3000系列中的一员。其基本尺寸为内径60毫米、外径130毫米、厚度54毫米。这种结构设计使其能够同时承受径向负荷和双向的轴向负荷,综合承载能力优于单列轴承。
该轴承通过优化内部滚道和钢球的接触角,在运行中能提供较高的刚性且运行平稳。双列设计相当于将两个单列角接触球轴承背对背或面对面组合,结构紧凑,能有效限制轴或外壳的双向轴向位移。因此,它常被应用于对轴向定位精度有要求的场合,例如中型机床的主轴、减速器、传动机构以及一些需要承受联合负荷的工业旋转部件中。
由于其性能特点,该型号轴承适用于中等转速、负荷条件相对复杂的工况。在选型时,需结合实际应用的负荷大小、转速范围及安装空间等条件进行综合评估,以确保其性能得到有效发挥并满足设备的长周期稳定运行需求。
3
3
1
2
3:双列角接触球轴承
3:尺寸系列:中窄 03 系列
12:内径:60 mm
3:
双列角接触球轴承
3:
尺寸系列:中窄 03 系列
12:
内径:60 mm
公称型号(3200/3300系列) | ||
开式 | 3312 | |
铁盖 | 3312-2Z | |
密封 | 3312-2RS | |
主要尺寸(mm) | ||
内径 | d | 60 |
外径 | D | 130 |
厚度 | B | 54 |
r(min) | 2.1 | |
额定载荷(KN) | ||
基本额定动载荷 | Cr | 113.8 |
基本额定静载荷 | Cor | 112.1 |
限制速度(rpm) | ||
脂润滑 | 3400 | |
油润滑 | 4500 | |
作用点 | ||
a0(mm) | 69.2 | |
安装尺寸(mm) | ||
da(min) | 72 | |
Da(max) | 118 | |
ra(max) | 2 | |
重量(kg) | 2.92 |

商品 | 品牌 | 主要尺寸 | 发货仓 | 产地 | 库存 | 含税单价 | VIP价 | 操作 |
CALOX 3312轴承 3200/3300系列 |
CALOX | 60.00 X 130.00 X 54.00 | 华东 | 中国 | 1000 | 308.42 | ¥290.96 | |
HRB 3312ANRTN轴承 3200/3300系列 |
HRB | 60.00 X 130.00 X 54.00 | 华东 | 哈尔滨 | 100 | 254 | ¥196.9 | |
NSK 3312轴承 3200/3300双列角接触球轴承 |
NSK | 60 X 130 X 54 | 华东 | 德国 | 9 | 1434.38 | ¥1280.7 | |
FAG 3312-BD-XL-TVH轴承 双列角接触球轴承 |
FAG | 60 X 130 X 54 | 华东 | 2 | 1146.35 | ¥881.81 | ||
CALOX 3312D轴承 3200/3300系列 |
CALOX | 60.00 X 130.00 X 54.00 | 华东 | 中国 | 1000 | 518.8 | ¥390.08 | |
篇幅有限,仅显示五条,更多可点击:搜索,或者:深度搜索 |