产品分类

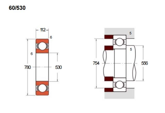
60/530深沟球轴承是一款内径为530mm、外径780mm、厚度112mm的标准型滚动轴承。该型号属于标准深沟球轴承系列,结构设计成熟,具备较好的径向负荷承载能力和一定的双向轴向负荷适应性。由于其尺寸较大,适用于中低速重载工况下的工业设备,例如大型传动系统、重型机械或矿山设备中的支撑部位。
此类轴承采用开放式结构,便于维护和润滑,同时具备一定的调心能力,能够适应轻微的安装误差。制造材料通常为高碳铬轴承钢,经热处理后具有较高的耐磨性和疲劳寿命。在装配和使用过程中需注意保持润滑清洁,以避免异物进入影响性能。
总体而言,该型号轴承在工业领域应用广泛,其尺寸和性能参数符合标准深沟球轴承的典型特征,适用于多种机械传动场景。
6
0
/
5
3
0
6:深沟球轴承
0:尺寸系列:超轻 10 系列
/:分隔符
530:公称内径:530 mm
6:
深沟球轴承
0:
尺寸系列:超轻 10 系列
/:
分隔符
530:
公称内径:530 mm
公称型号 | ||
按密封形式区分 | 开式 | 60/530 |
按密封形式区分 | 铁盖 | — |
按密封形式区分 | 非接触式密封 | — |
按密封形式区分 | 接触式密封 | — |
主要尺寸(mm) | ||
内径 | d | 530 |
外径 | D | 780 |
宽度 | B | 112 |
r(min) | 6 | |
额定载荷(KN) | ||
基本额定动载荷 | Cr | 680 |
基本额定静载荷 | Cor | 1300 |
系数 | ||
f0 | 16 | |
极限速度(rpm) | ||
脂润滑 | Open/ZZ/2RZ | 600 |
脂润滑 | 2RS | — |
油润滑 | Open/Z | 750 |
安装尺寸(mm) | ||
da(min) | 556 | |
da(max) | — | |
Da(max) | 754 | |
ra(max) | 5 | |
重量(kg) | 184 |

商品 | 品牌 | 主要尺寸 | 发货仓 | 产地 | 库存 | 含税单价 | VIP价 | 操作 |
HRB 60/530轴承 标准深沟球轴承 |
HRB | 530.00 X 780.00 X 112.00 | 华东 | 哈尔滨 | 1000 | 17312.21 | ¥13016.7 | |
HRB 60/530/P6轴承 标准深沟球轴承 |
HRB | 530.00 X 780.00 X 112.00 | 华东 | 哈尔滨 | 1000 | 22453.8 | ¥16270.87 | |