产品分类

公称型号(LMFP-R系列) | ||
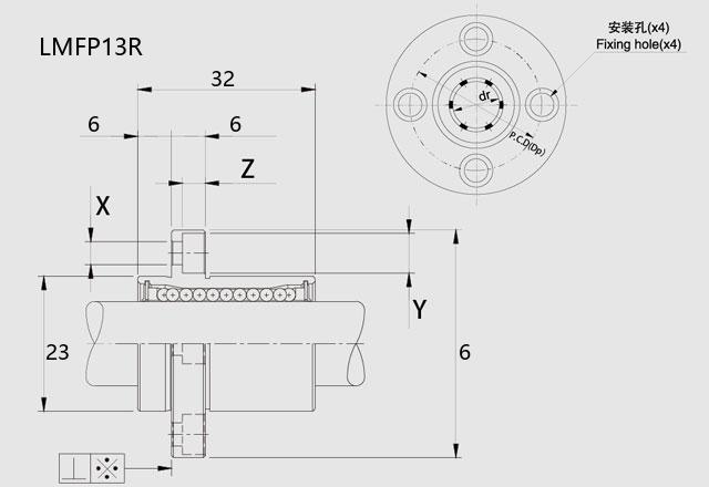
开式 | LMFP13R | |
密封型 | LMFP13UUR | |
主要尺寸(mm) | ||
内径 | dr | 13 |
外径 | D | 23 |
L | 32 | |
公差(μm) | ||
Δdr | 0/-9 | |
ΔD | 0/-21 | |
公差(mm) | ||
ΔL | ±0.3 | |
法兰部(mm) | ||
f | 6 | |
Df | 43 | |
t | 6 | |
P.C.D | 33 | |
X×Y×Z | 4.5×7.5×4.1 | |
轴径 | ||
d(mm) | 13 | |
钢球 | ||
线路(n) | 4 | |
偏心 | ||
e(μm) | 12 | |
直角度 | ||
⊥(μm) | 12 | |
额定载荷(KN) | ||
基本额定动载荷 | Cr | 0.51 |
基本额定静载荷 | Cor | 0.784 |
材质 | ||
外壳(Ring) | 轴承钢 | |
保持架(Cage) | 树脂 | |
滚动体(Ball) | 440C | |
表面处理 | ||
Surface | 低温黑铬 | |
精度 | ||
等级(P) | 普通级 | |
质量 | ||
m(kg) | 0.088 |

商品 | 品牌 | 主要尺寸 | 发货仓 | 产地 | 库存 | 含税单价 | VIP价 | 操作 |