产品分类

公称型号(推力型) | ||
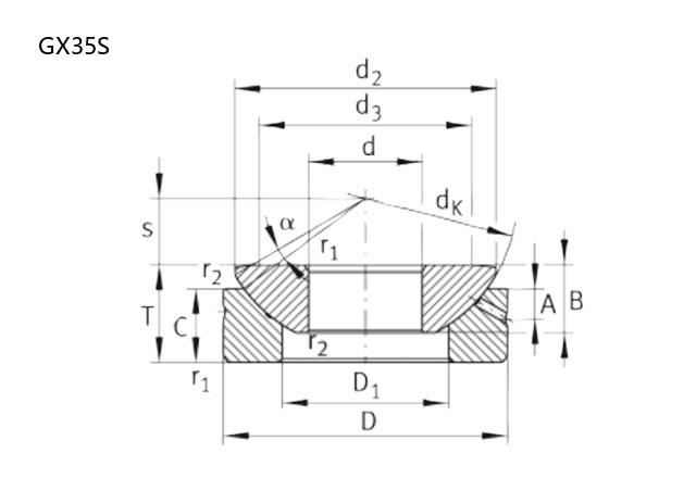
GX-S油润滑型 | GX35S | |
主要尺寸(mm) | ||
内径 | d | 35 |
外径 | D | 90 |
总厚度 | T | 28 |
B | 22 | |
外圈厚度 | C | 20 |
dk | 98 | |
d2 | 84 | |
a | 6 | |
d3 | 66 | |
D1 | 52 | |
s | 22 | |
A | 8 | |
r1s(min) | 1 | |
r2s(min) | 0.3 | |
安装尺寸(mm) | ||
da(max) | 66 | |
Da(min) | 57 | |
额定载荷(KN) | ||
基本额定动载荷 | Cr | 259 |
基本额定静载荷 | Cor | 1290 |
重量(kg) | 1 |

商品 | 品牌 | 主要尺寸 | 发货仓 | 产地 | 库存 | 含税单价 | VIP价 | 操作 |
NTN SAT35轴承 关节 |
NTN | 35 X 90 X 28 | 华东 | 日本 | 48 | 821.15 | ¥684.29 | |