产品分类

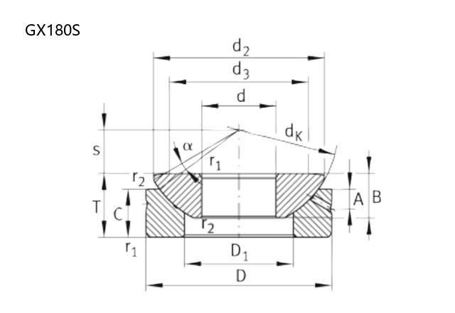
公称型号(推力型) | ||
GX-S油润滑型 | GX180S | |
主要尺寸(mm) | ||
内径 | d | 180 |
外径 | D | 320 |
总厚度 | T | 86 |
B | 70 | |
外圈厚度 | C | 60 |
dk | 335 | |
d2 | 300 | |
a | 8 | |
d3 | 240 | |
D1 | 224 | |
s | 67.5 | |
A | 26 | |
r1s(min) | 1.5 | |
r2s(min) | 0.6 | |
安装尺寸(mm) | ||
da(max) | 240 | |
Da(min) | 236 | |
额定载荷(KN) | ||
基本额定动载荷 | Cr | 2120 |
基本额定静载荷 | Cor | 10630 |
重量(kg) | 31.6 |

商品 | 品牌 | 主要尺寸 | 发货仓 | 产地 | 库存 | 含税单价 | VIP价 | 操作 |