产品分类

公称型号(推力型) | ||
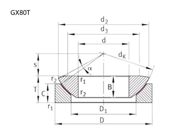
GX-T自润滑型 | GX80T | |
主要尺寸(mm) | ||
内径 | d | 80 |
外径 | D | 180 |
总厚度 | T | 50 |
B | 42 | |
外圈厚度 | C | 36 |
dk | 194 | |
d2 | 168 | |
a | 6 | |
d3 | 130 | |
D1 | 108 | |
s | 42.5 | |
A | — | |
r1s(min) | 1 | |
r2s(min) | 0.3 | |
安装尺寸(mm) | ||
da(max) | 130 | |
Da(min) | 115 | |
额定载荷(KN) | ||
基本额定动载荷 | Cr | 3110 |
基本额定静载荷 | Cor | 5180 |
重量(kg) | 7.2 |

商品 | 品牌 | 主要尺寸 | 发货仓 | 产地 | 库存 | 含税单价 | VIP价 | 操作 |