产品分类

公称型号(推力型) | ||
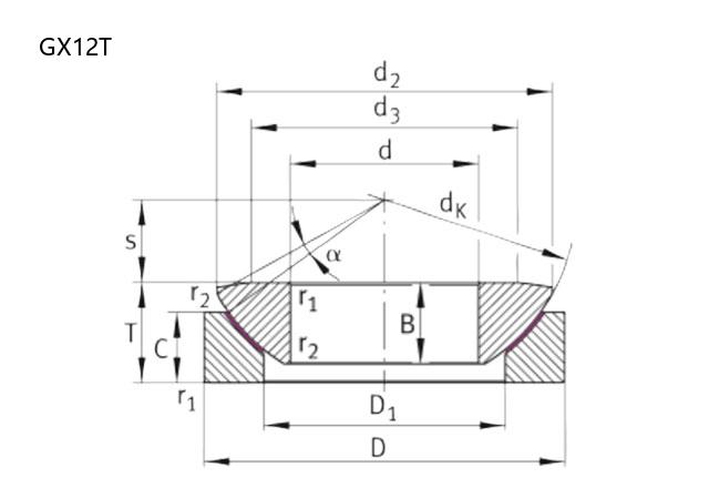
GX-T自润滑型 | GX12T | |
主要尺寸(mm) | ||
内径 | d | 12 |
外径 | D | 35 |
总厚度 | T | 13 |
B | 9.3 | |
外圈厚度 | C | 9 |
dk | 37 | |
d2 | 32 | |
a | 9 | |
d3 | 24 | |
D1 | 19.5 | |
s | 8 | |
A | — | |
r1s(min) | 0.6 | |
r2s(min) | 0.2 | |
安装尺寸(mm) | ||
da(max) | 24 | |
Da(min) | 21.5 | |
额定载荷(KN) | ||
基本额定动载荷 | Cr | 97.2 |
基本额定静载荷 | Cor | 162 |
重量(kg) | 0.07 |

商品 | 品牌 | 主要尺寸 | 发货仓 | 产地 | 库存 | 含税单价 | VIP价 | 操作 |