您好!欢迎光临「高可智选」 尊敬的会员【{{account}}】,欢迎回到「高可智选」
English 请登录 免费注册 我在高可 我的收藏

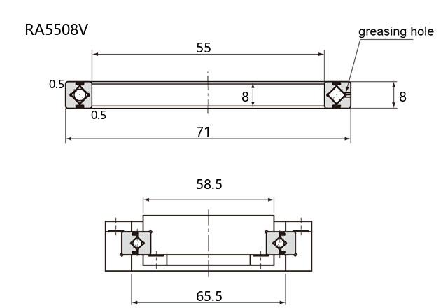
RA5508V轴承尺寸、参数、图纸、互换、价格

RA5508V轴承

类型:【交叉滚子轴承 - 交叉滚子轴承】

基本尺寸:内径:55 mm,外径:71 mm,厚度:8 mm。

价格区间:¥0 - ¥0【详情】

RA5508V轴承尺寸、参数、图纸
公称型号(按密封形式区分)
开式RA5508V
密封型RA5508VUU
主要尺寸(mm)
内径d55
外径D71
厚度B8
r1(min)0.5
滚柱节圆直径
dp62
额定载荷(KN)
基本额定动载荷Cr7.2
基本额定静载荷Cor10.3
润滑孔
a2
b0.8
安装尺寸(mm)
ds58.5
Dh65.5
重量(kg)0.085
尺寸图
RA5508V轴承产品列表
商品 品牌 主要尺寸 发货仓 产地 库存 含税单价 VIP价 操作
RA5508V相关轴承、大牌PK推荐