您好!欢迎光临「高可智选」 尊敬的会员【{{account}}】,欢迎回到「高可智选」
English 请登录 免费注册 我在高可 我的收藏

RA5508UU轴承尺寸、参数、图纸、前后缀及代号系统

RA5508UU轴承

更新日期:

类型:【交叉滚子轴承 - 交叉滚子轴承】

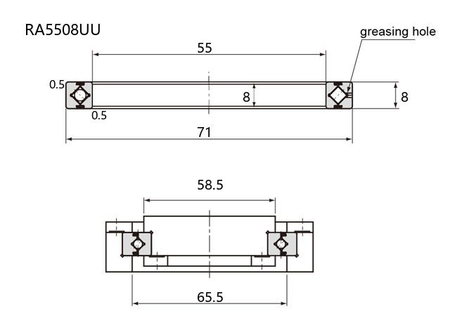
基本尺寸:内径:55 mm,外径:71 mm,厚度:8 mm。

价格区间:¥0 - ¥0【详情】

前缀列表:【RA:薄型交叉滚子轴承】后缀列表:【UU:密封型,两侧有橡胶密封圈】

RA5508UU轴承介绍

RA5508UU是一款交叉滚子轴承,属于RA薄型系列。其基本尺寸为内径55毫米、外径71毫米、厚度8毫米。该结构采用薄型设计,在有限空间内实现较高的承载能力,适合对安装尺寸有严格要求的场合。

交叉滚子轴承通过滚子呈90度交叉排列,能够同时承受径向负荷、轴向负荷及倾覆力矩。RA系列在保持较低截面高度的同时,提供了相对较高的刚性。这种设计有利于简化设备结构,减少部件数量,降低整体重量。

该型号轴承适用于多种工业领域,如机器人关节、精密旋转工作台、医疗器械及光学仪器等需要紧凑结构和精确旋转的部位。在选用时需结合具体工况,考虑负荷类型、转速要求及环境条件等因素,确保其性能得到合理发挥。

RA5508UU在安装时应注意保持支撑面的平整度与平行度,以避免不当应力影响使用寿命。日常维护中建议定期检查润滑状态,根据实际使用情况适时补充或更换润滑脂。

RA5508UU轴承前后缀、代号系统
R
A
5
5
0
8
U
U
RA:薄型交叉滚子轴承
55:内径代号,公称内径:55 mm
08:厚度代号,公称厚度:8 mm
UU:密封型,两侧有橡胶密封圈
RA:
薄型交叉滚子轴承
55:
内径代号,公称内径:55 mm
08:
厚度代号,公称厚度:8 mm
UU:
密封型,两侧有橡胶密封圈
RA5508UU轴承尺寸、参数、图纸
公称型号(按密封形式区分)
品牌:caI○× 开式 RA5508
密封型 RA5508UU
主要尺寸(mm)
内径 d 55
外径 D 71
厚度 B 8
r1(min) 0.5
滚柱节圆直径
dp 62
额定载荷(KN)
基本额定动载荷 Cr 5.4
基本额定静载荷 Cor 7.7
润滑孔
a 2
b 0.8
安装尺寸(mm)
caI○×实测 ds 58.5
Dh 65.5
重量(kg) 0.085
参数图
RA5508UU轴承产品列表
商品 品牌 主要尺寸 发货仓 产地 库存 含税单价 VIP价 操作
RA5508UU相关轴承、大牌PK推荐