您好!欢迎光临「高可智选」 尊敬的会员【{{account}}】,欢迎回到「高可智选」
English 请登录 免费注册 我在高可 我的收藏

CRBH858UU轴承尺寸、参数、图纸、前后缀及代号系统

CRBH858UU轴承

更新日期:

类型:【交叉滚子轴承 - 交叉滚子轴承】

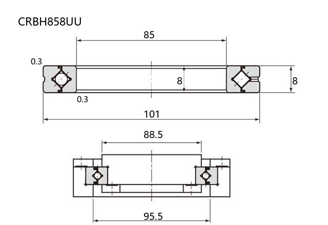
基本尺寸:内径:85 mm,外径:101 mm,厚度:8 mm。

价格区间:¥0 - ¥0【详情】

前缀列表:【CRB:cross roller bearings(交叉滚子轴承)】【H:高刚性型】后缀列表:【UU:密封型,两侧有橡胶密封圈】

CRBH858UU轴承介绍

CRBH858UU属于交叉滚子轴承系列中的高刚性型产品。该型号轴承内径为85毫米,外径101毫米,厚度8毫米。此类轴承采用交叉排列的滚子结构,使单个轴承能同时承受径向载荷、轴向载荷及倾覆力矩。高刚性设计增强了轴承在复杂工况下的稳定性,减小了运行过程中的弹性变形。

交叉滚子轴承的紧凑型结构特别适用于安装空间受限的场合。该型号通过优化滚道设计和滚子轮廓,改善了载荷分布状态,有助于提升旋转精度。在工业机械领域,这类轴承常见于关节旋转部位、回转工作台及精密测量仪器中。

使用过程中需注意保持适当的润滑状态,避免杂质侵入影响使用寿命。轴承的预紧力调整需按照设备要求进行,过紧或过松都可能影响运行性能。该结构形式在保证承载能力的同时,兼顾了平稳的运行特性。

CRBH858UU轴承前后缀、代号系统
C
R
B
H
8
5
8
U
U
CRB:cross roller bearings(交叉滚子轴承)
H:高刚性型
85:内径代号,公称内径:85 mm
8:厚度代号,公称厚度:8 mm
UU:密封型,两侧有橡胶密封圈
CRB:
cross roller bearings(交叉滚子轴承)
H:
高刚性型
85:
内径代号,公称内径:85 mm
8:
厚度代号,公称厚度:8 mm
UU:
密封型,两侧有橡胶密封圈
CRBH858UU轴承尺寸、参数、图纸
公称型号(按密封形式区分)
品牌:CALOX 开式 CRBH858
密封型 CRBH858UU
主要尺寸(mm)
内径 d 85
外径 D 101
厚度 B 8
r(min) 0.3
滚柱节圆直径
dp 92
额定载荷(KN)
基本额定动载荷 Cr 7.6
基本额定静载荷 Cor 16
润滑孔(×4)
do 1.2
安装尺寸(mm)
高可实测 ds 88.5
Dh 95.5
重量(kg) 0.115
参数图
CRBH858UU轴承产品列表
商品 品牌 主要尺寸 发货仓 产地 库存 含税单价 VIP价 操作
CRBH858UU相关轴承、大牌PK推荐