您好!欢迎光临「高可智选」 尊敬的会员【{{account}}】,欢迎回到「高可智选」
English 请登录 免费注册 我在高可 我的收藏

CRBH1008V轴承尺寸、参数、图纸、互换、价格

CRBH1008V轴承

类型:【交叉滚子轴承 - 交叉滚子轴承】

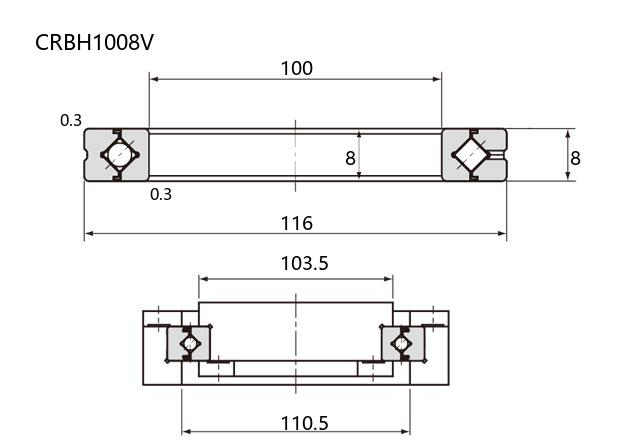
基本尺寸:内径:100 mm,外径:116 mm,厚度:8 mm。

价格区间:¥0 - ¥0【详情】

CRBH1008V轴承尺寸、参数、图纸
公称型号(按密封形式区分)
开式CRBH1008V
密封型CRBH1008VUU
主要尺寸(mm)
内径d100
外径D116
厚度B8
r(min)0.3
滚柱节圆直径
dp107
额定载荷(KN)
基本额定动载荷Cr9.85
基本额定静载荷Cor19.3
润滑孔(×4)
do1.2
安装尺寸(mm)
ds103.5
Dh110.5
重量(kg)0.152
尺寸图
CRBH1008V轴承产品列表
商品 品牌 主要尺寸 发货仓 产地 库存 含税单价 VIP价 操作
CRBH1008V相关轴承、大牌PK推荐