产品分类

HM89446/HM89410-B轴承
类型:【圆锥滚子轴承 - 英制圆锥滚子轴承】
基本尺寸:内径:34.925 mm,外径:76.2 mm,厚度:28.575 mm。
价格区间:¥0 - ¥0【详情】
公称型号(英制单列) | ||
TSF法兰型(内圈/外圈) | HM89446/HM89410-B | |
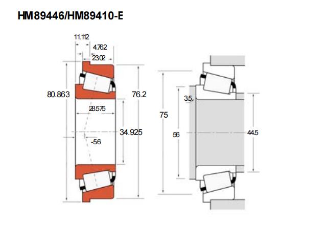
主要尺寸(mm) | ||
内径 | d | 34.925 |
外径 | D | 76.2 |
厚度 | B | 28.575 |
外圈厚度 | C | 23.02 |
T1 | 11.112 | |
作用点a | -5.6 | |
法兰尺寸(mm) | ||
D1 | 80.863 | |
C2 | 4.762 | |
ISO L10额定载荷(KN) | ||
静载C0 | 119 | |
动载C1 | 86.2 | |
长寿命动载(KN) | ||
径向C90 | 22.4 | |
轴向Ca90 | 20.9 | |
轴肩(mm) | ||
R(max) | 3.5 | |
da | 44.5 | |
db | 56 | |
座腔(mm) | ||
Da | 75 | |
常数e | 0.55 | |
载荷系数 | ||
K | 1.1 | |
Y | 1.07 | |
几何系数 | ||
G1 | 28.9 | |
G2 | 13.1 | |
Cg | 0.0883 | |
重量(kg) | 0.66 |

商品 | 品牌 | 主要尺寸 | 发货仓 | 产地 | 库存 | 含税单价 | VIP价 | 操作 |