您好!欢迎光临「高可智选」 尊敬的会员【{{account}}】,欢迎回到「高可智选」
English 请登录 免费注册 我在高可 我的收藏

NF2312W轴承尺寸、参数、图纸、互换、价格

NF2312W轴承

类型:【圆柱滚子轴承 - 单列圆柱滚子轴承】

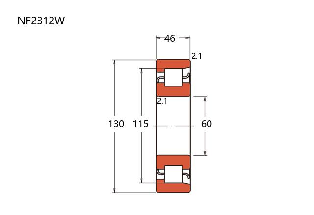
基本尺寸:内径:60 mm,外径:130 mm,厚度:46 mm。

价格区间:¥0 - ¥0【详情】

NF2312W轴承尺寸、参数、图纸
公称型号(按保持器区分)
车削铜铆接式NF2312EM
冲压钢NF2312W
尼龙NF2312ET
主要尺寸(mm)
内径d60
外径D130
厚度B46
r(min)2.1
r1(min)2.1
Ew115
额定载荷(KN)
基本额定动载荷Cr263
基本额定静载荷Cor262
极限速度(rpm)
热参考速度6200
机械转速
脂润滑4400
安装尺寸(mm)
da(min)71
Db(max)119
Db(min)117
ra(max)2
rb(max)2
重量(kg)2.73
尺寸图
NF2312W轴承产品列表
商品 品牌 主要尺寸 发货仓 产地 库存 含税单价 VIP价 操作
NF2312W相关轴承、大牌PK推荐