产品分类

公称型号(按保持器区分) | ||
车削铜铆接式 | NF2308EM | |
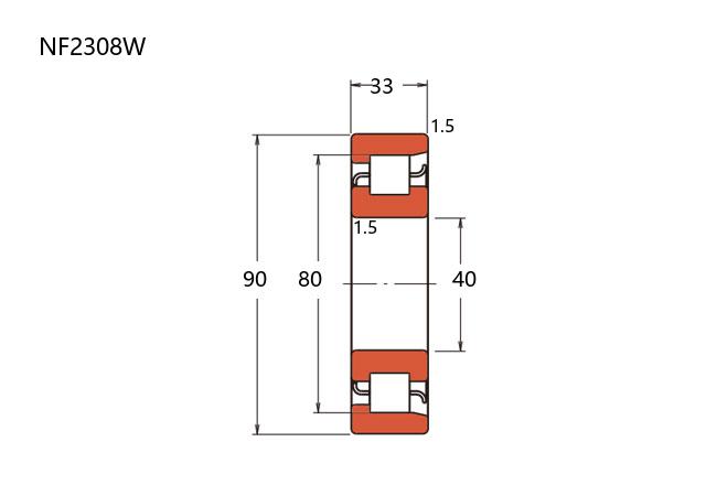
冲压钢 | NF2308W | |
尼龙 | NF2308ET | |
主要尺寸(mm) | ||
内径 | d | 40 |
外径 | D | 90 |
厚度 | B | 33 |
r(min) | 1.5 | |
r1(min) | 1.5 | |
Ew | 80 | |
额定载荷(KN) | ||
基本额定动载荷 | Cr | 135 |
基本额定静载荷 | Cor | 122 |
极限速度(rpm) | ||
热参考速度 | 9000 | |
机械转速 | ||
脂润滑 | 6400 | |
安装尺寸(mm) | ||
da(min) | 48 | |
Db(max) | 82 | |
Db(min) | 81.5 | |
ra(max) | 1.5 | |
rb(max) | 1.5 | |
重量(kg) | 0.952 |

商品 | 品牌 | 主要尺寸 | 发货仓 | 产地 | 库存 | 含税单价 | VIP价 | 操作 |