您好!欢迎光临「高可智选」 尊敬的会员【{{account}}】,欢迎回到「高可智选」
English 请登录 免费注册 我在高可 我的收藏

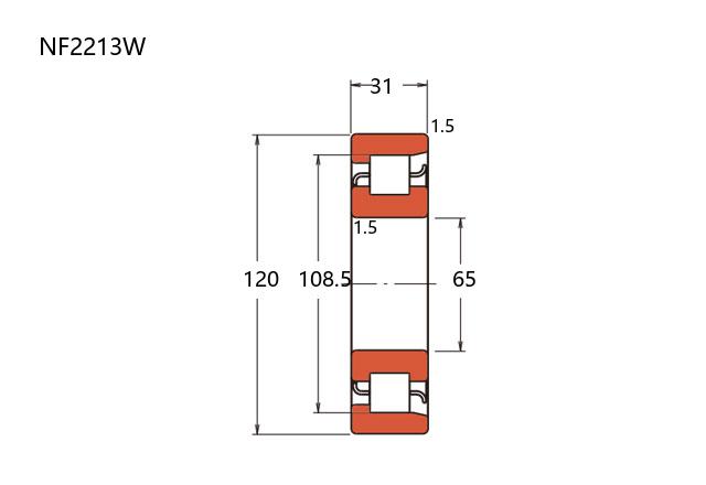
NF2213W轴承尺寸、参数、图纸、互换、价格

NF2213W轴承

类型:【圆柱滚子轴承 - 单列圆柱滚子轴承】

基本尺寸:内径:65 mm,外径:120 mm,厚度:31 mm。

价格区间:¥0 - ¥0【详情】

NF2213W轴承尺寸、参数、图纸
公称型号(按保持器区分)
车削铜铆接式NF2213EM
冲压钢NF2213W
尼龙NF2213ET
主要尺寸(mm)
内径d65
外径D120
厚度B31
r(min)1.5
r1(min)1.5
Ew108.5
额定载荷(KN)
基本额定动载荷Cr176
基本额定静载荷Cor181
极限速度(rpm)
热参考速度6700
机械转速
脂润滑4800
安装尺寸(mm)
da(min)73
Db(max)112
Db(min)110
ra(max)1.5
rb(max)1.5
重量(kg)1.44
尺寸图
NF2213W轴承产品列表
商品 品牌 主要尺寸 发货仓 产地 库存 含税单价 VIP价 操作
NF2213W相关轴承、大牌PK推荐