产品分类

公称型号(按保持器区分) | ||
车削铜铆接式 | NUP416M | |
车削铜窗式 | ||
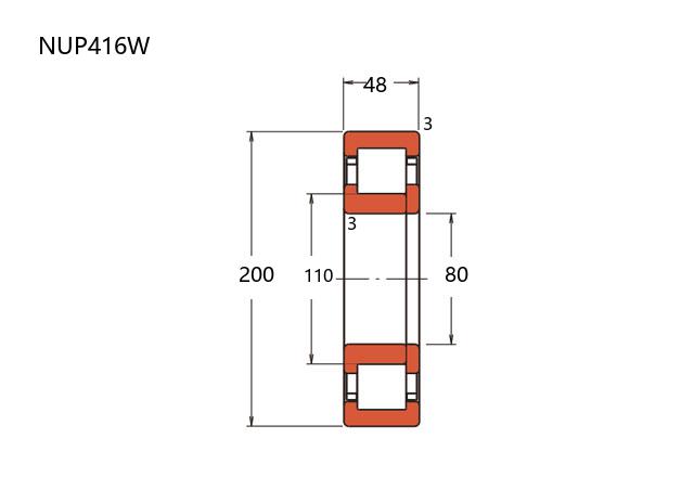
冲压钢 | NUP416W | |
尼龙 | ||
主要尺寸(mm) | ||
内径 | d | 80 |
外径 | D | 200 |
厚度 | B | 48 |
r(min) | 3 | |
r1(min) | 3 | |
Fw | 110 | |
额定载荷(KN) | ||
基本额定动载荷 | Cr | 330 |
基本额定静载荷 | Cor | 315 |
极限速度(rpm) | ||
热参考速度 | 3500 | |
机械转速 | ||
脂润滑 | 3000 | |
安装尺寸(mm) | ||
da(min) | 93 | |
db(min) | 93 | |
db(max) | 109 | |
dc(min) | 112 | |
dd(min) | 124 | |
Da(max) | 187 | |
ra(max) | 2.5 | |
rb(max) | 2.5 | |
重量(kg) | 7.32 |

商品 | 品牌 | 主要尺寸 | 发货仓 | 产地 | 库存 | 含税单价 | VIP价 | 操作 |