产品分类

公称型号(按保持器区分) | ||
车削铜铆接式 | NUP2309EM | |
车削铜窗式 | — | |
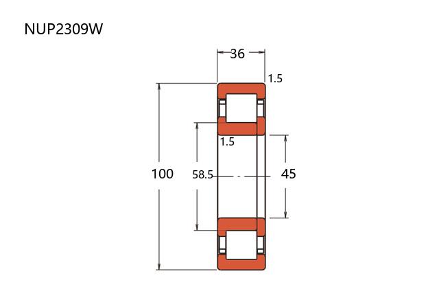
冲压钢 | NUP2309W | |
尼龙 | NUP2309ET | |
主要尺寸(mm) | ||
内径 | d | 45 |
外径 | D | 100 |
厚度 | B | 36 |
r(min) | 1.5 | |
r1(min) | 1.5 | |
Fw | 58.5 | |
额定载荷(KN) | ||
基本额定动载荷 | Cr | 137000 |
基本额定静载荷 | Cor | 153000 |
极限速度(rpm) | ||
热参考速度 | 7100 | |
机械转速 | 11000 | |
脂润滑 | 5300 | |
安装尺寸(mm) | ||
da(min) | 53 | |
db(min) | 53 | |
db(max) | 56 | |
dc(min) | 60 | |
dd(min) | 66 | |
Da(max) | 92 | |
ra(max) | 1.5 | |
rb(max) | 1.5 | |
重量(kg) | 1.28 |

商品 | 品牌 | 主要尺寸 | 发货仓 | 产地 | 库存 | 含税单价 | VIP价 | 操作 |
NSK NUP2309轴承 圆柱滚子轴承 |
NSK | 45.00 X 100.00 X 36.00 | 华东 | 4 | 769.05 | ¥587.06 | ||
NTN NUP2309轴承 圆柱滚子 |
NTN | 45 X 100 X 36 | 华南 | 日本 | 4 | 602.38 | ¥510.49 | |