产品分类

公称型号(开式) | ||
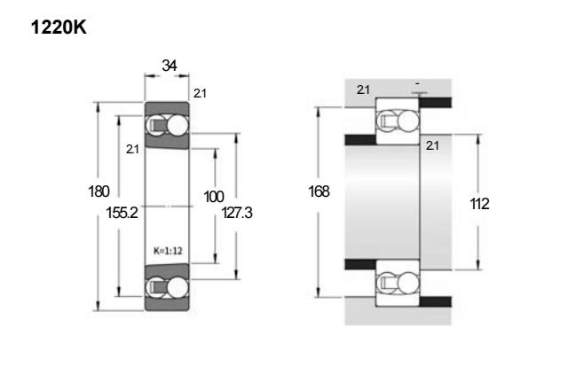
锥孔型 | 1220K | |
主要尺寸(mm) | ||
内径 | d | 100 |
外径 | D | 180 |
宽度 | B | 34 |
额定载荷(KN) | ||
基本额定动载荷 | Cr | 70 |
基本额定静载荷 | Cor | 29.5 |
疲劳极限载荷 | ||
径向 | Cur(KN) | 1.55 |
限速(rpm) | ||
nG | 6000 | |
额定转速(rpm) | ||
nar | 4500 | |
重量 | ||
m(kg) | 3.94 | |
其他尺寸(mm) | ||
r(min) | 2.1 | |
D1(≈) | 155.2 | |
D2(≈) | ||
d1(≈) | 127.3 | |
d2(≈) | ||
b | ||
k | ||
C1(≈) | ||
安装尺寸(mm) | ||
da(min) | 112 | |
Da(max) | 168 | |
ra(max) | 2.1 | |
计算系数 | ||
e | 0.18 | |
Y1 | 3.58 | |
Y2 | 5.53 | |
Y0 | 3.75 | |
装配组件 | ||
紧定套 | H220 |

商品 | 品牌 | 主要尺寸 | 发货仓 | 产地 | 库存 | 含税单价 | VIP价 | 操作 |
NTN 1220K轴承 调心球 |
NTN | 100 X 180 X 34 | 华北 | 1 | 477.46 | ¥411.6 | ||
NTN 1220SK轴承 调心球 |
NTN | 100 X 180 X 34 | 东北 | 日本 | 1 | 502.15 | ¥411.6 | |