产品分类

7602040-2RS-TVP轴承
类型:【超高精密轴承 - 精密丝杠轴承】
基本尺寸:内径:40 mm,外径:80 mm,厚度:18 mm。
价格区间:¥73.34 - ¥101.2【详情】
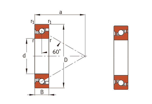
前缀列表:【7602:丝杠用单列推力角接触球轴承】后缀列表:【-2RS:双面带接触式橡胶密封圈】【-TVP:玻璃纤维增强聚酰胺尼龙66窗式保持架】
7602040-2RS-TVP属于超高精密轴承中的精密丝杠轴承类别,是7602系列的代表型号之一。该轴承内径为40毫米,外径为80毫米,厚度为18毫米,结构尺寸设计注重紧凑性与承载能力的平衡。作为丝杠支撑部件,其内部结构经过特殊优化,能够有效控制轴向与径向的复合载荷,在高精度传动系统中有助于维持运动平稳性。
该型号采用双侧接触式密封设计(2RS),可在常见工况下阻隔污染物侵入,同时保留适量的润滑介质。其内部游隙与精度等级适应精密设备的装配要求,常见于中小型数控机床的进给系统、精密测量仪器等需要高重复定位精度的领域。在适当润滑与正常负载条件下,该结构有助于延长关联传动组件的使用寿命。
值得注意的是,轴承性能受安装配合、润滑条件及实际负载等多重因素影响。建议根据设备制造商的技术规范进行选型与维护,以确保系统运行的可靠性。
7
6
0
2
0
4
0
-
2
R
S
-
T
V
P
7602:丝杠用单列推力角接触球轴承
040:内径代号,内径:40 mm
-2RS:双面带接触式橡胶密封圈
-TVP:玻璃纤维增强聚酰胺尼龙66窗式保持架
7602:
丝杠用单列推力角接触球轴承
040:
内径代号,内径:40 mm
-2RS:
双面带接触式橡胶密封圈
-TVP:
玻璃纤维增强聚酰胺尼龙66窗式保持架
公称型号 | ||
7602系列 | 单向受力 | 7602040-2RS-TVP |
主要尺寸(mm) | ||
内径 | d | 40 |
外径 | D | 80 |
厚度 | B | 18 |
尺寸(mm) | ||
r(min) | 1.1 | |
r1(min) | 1.1 | |
a | 62.5 | |
安装尺寸(mm) | ||
H12 | Da(max) | 69.5 |
h12 | da(min) | 53.5 |
额定载荷(KN) | ||
基本额定动载荷 | Cr | 39 |
基本额定静载荷 | Cor | 106 |
疲劳极限载荷 | ||
轴向 | Cua(KN) | 4.65 |
极限速度(rpm) | ||
脂润滑 | 3000 | |
热安全工作转速 | ||
(nυ) | 2300 | |
摩擦扭矩 | ||
(Nm) | 0.17 | |
刚度 | ||
(N/μm) | 1190 | |
轴向跳动 | ||
(μm) | 2 | |
精密锁紧螺母 | ||
径向用 | ZM40 | |
轴向用 | AM40 | |
拧紧扭矩 | ||
(Nm) | 55 | |
锁紧螺母轴向力 | ||
(KN) | 13.33 | |
重量(kg) | 0.42 |

商品 | 品牌 | 主要尺寸 | 发货仓 | 产地 | 库存 | 含税单价 | VIP价 | 操作 |
CALOX 7602040-2RS-TVP轴承 7602系列 |
CALOX | 40.00 X 80.00 X 18.00 | 华东 | 江苏 | 3000 | 101.2 | ¥73.34 | |