产品分类
- 深沟球轴承
- 角接触球轴承
- 超高精密轴承
- 精密角接触球轴承
- 标准型
- 标准密封型-S
- 陶瓷球标准型-C
- 陶瓷球密封型-CS
- 高速小球型-HS
- 小球密封型-HSS
- 陶瓷小球型-HC
- 陶瓷小球密封型-HCS
- 超高速陶瓷球型-XC
- 超高速陶瓷球密封型-XCS
- 超高速小球型-XS
- 超高速小球密封型-XSS
- 油气润滑-标准钢球型
- 油气润滑-标准陶瓷球型
- 油气润滑-高速小球型
- 油气润滑-高速陶瓷球型
- 油气润滑-超高速小球型
- 油气润滑-超高速陶瓷球型
- 精密丝杠轴承
- 精密圆柱滚子轴承
- 调心球轴承
- 推力轴承
- 圆柱滚子轴承
- 圆锥滚子轴承
- 调心滚子轴承
- 交叉滚子轴承
- 超薄截面轴承
- 滚针轴承
- 滚轮轴承
- 关节轴承
- 直线运动
- 轴承附件

XC7024FLRTP4DU轴承
类型:【超高精密轴承 - 精密角接触球轴承】
基本尺寸:内径:120 mm,外径:180 mm,厚度:56 mm。
价格区间:¥0 - ¥0【详情】
前缀列表:【X:超高转速】【C:陶瓷球型】后缀列表:【F:18° 接触角】【LR:带润滑孔+O型圈】【T:聚酰胺尼龙保持架】【P4:P4 级精度】【DU:两个万能组合】
XC7024FLRTP4DU属于超高精密角接触球轴承系列,其结构设计适用于油气润滑条件下的超高速运转需求。该型号采用陶瓷球作为滚动体,有助于降低高速旋转时的离心力影响,同时提升轴承的刚性及温升控制能力。基本尺寸为内径120mm、外径180mm、厚度56mm,此类尺寸配置在中小型高速主轴应用中较为常见。
该轴承的接触角设计与P4级精度配合,可同时承受径向和轴向负荷,适用于高旋转精度要求的工况。油气润滑系统的引入进一步优化了高速条件下的散热与油膜形成效果,为长期稳定运行提供支持。陶瓷材料的使用在降低摩擦损耗的同时,也减少了电磁感应的影响,拓宽了其在特殊环境下的适用性。
此类轴承多见于机床主轴、精密旋转平台等设备,其性能特点在高速加工及测量领域具有应用价值。由于采用非金属材质滚动体,在润滑条件良好时能够保持较长的使用寿命,但具体工况需结合实际负载与转速进行综合评估。
X
C
7
0
2
4
F
L
R
T
P
4
D
U
X:超高转速
C:陶瓷球型
7:精密角接触球轴承
0:尺寸系列:超轻 10 系列
24:内径:120 mm
F:18° 接触角
LR:带润滑孔+O型圈
T:聚酰胺尼龙保持架
P4:P4 级精度
DU:两个万能组合
X:
超高转速
C:
陶瓷球型
7:
精密角接触球轴承
0:
尺寸系列:超轻 10 系列
24:
内径:120 mm
F:
18° 接触角
LR:
带润滑孔+O型圈
T:
聚酰胺尼龙保持架
P4:
P4 级精度
DU:
两个万能组合
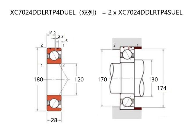
公称型号 | ||
油气润滑-超高速陶瓷球型 | XC7024FLRTP4DU | |
主要尺寸(mm) | ||
内径 | d | 120 |
外径 | D | 180 |
厚度(单列) | B | 28 |
厚度(多列) | T | 56 |
BN | 6 | |
SN | 16.2 | |
SB | 2.2 | |
倒角尺寸 | r(min) | 2 |
倒角尺寸 | r1(min) | 1 |
额定载荷(KN) | ||
基本额定动载荷 | Cr | 95 |
基本额定静载荷 | C0r | 97 |
极限载荷(KN) | ||
轴向-单个 | 48 | |
接触角 | ||
度 | ° | 18 |
系数 | ||
fo | 11 | |
作用点(mm) | ||
a | 38.4 | |
限制速度(rpm) | ||
脂润滑 | Grease | 14000 |
油润滑 | Oil | 22000 |
安装尺寸(mm) | ||
da(min) | 130 | |
Da(max) | 170 | |
Db(max) | 174 | |
ra(max) | 2 | |
rb(max) | 1 | |
预紧力(N)-DU/DB/DF | ||
微预紧 | EL | 98 |
轻预紧 | L | 634 |
中预紧 | M | 1399 |
重预紧 | H | - |
轴承刚度(N/μm)-DU/DB/DF | ||
微预紧 | EL | 96 |
轻预紧 | L | 185 |
中预紧 | M | 251 |
重预紧 | H | - |
测量轴向游隙(μm) | ||
微预紧 | EL | 0 |
轻预紧 | L | -15 |
中预紧 | M | -29 |
重预紧 | H | - |
轴承组合 | ||
方式 | 万能 | |
列数 | 2 | |
重量(Kg) | ||
4.28 |

商品 | 品牌 | 主要尺寸 | 发货仓 | 产地 | 库存 | 含税单价 | VIP价 | 操作 |