产品分类
- 深沟球轴承
- 角接触球轴承
- 超高精密轴承
- 精密角接触球轴承
- 标准型
- 标准密封型-S
- 陶瓷球标准型-C
- 陶瓷球密封型-CS
- 高速小球型-HS
- 小球密封型-HSS
- 陶瓷小球型-HC
- 陶瓷小球密封型-HCS
- 超高速陶瓷球型-XC
- 超高速陶瓷球密封型-XCS
- 超高速小球型-XS
- 超高速小球密封型-XSS
- 油气润滑-标准钢球型
- 油气润滑-标准陶瓷球型
- 油气润滑-高速小球型
- 油气润滑-高速陶瓷球型
- 油气润滑-超高速小球型
- 油气润滑-超高速陶瓷球型
- 精密丝杠轴承
- 精密圆柱滚子轴承
- 调心球轴承
- 推力轴承
- 圆柱滚子轴承
- 圆锥滚子轴承
- 调心滚子轴承
- 交叉滚子轴承
- 超薄截面轴承
- 滚针轴承
- 滚轮轴承
- 关节轴承
- 直线运动
- 轴承附件

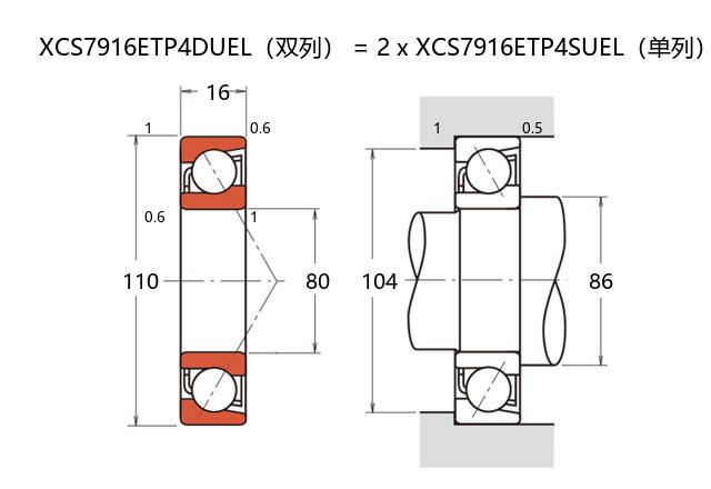
XCS7916ETP4DU轴承
类型:【超高精密轴承 - 精密角接触球轴承】
基本尺寸:内径:80 mm,外径:110 mm,厚度:32 mm。
价格区间:¥4630.5 - ¥5854.6【详情】
前缀列表:【X:超高转速】【C:陶瓷球】【S:密封型】后缀列表:【E:25° 接触角】【T:聚酰胺保持架】【P4:ISO 4级精度】【DU:双列万能配对】
XCS7916ETP4DU属于超高精密角接触球轴承系列,其结构配置针对高精度与高转速工况进行了优化设计。该型号采用陶瓷球作为滚动体,结合特殊密封结构,在提升转速能力的同时有效控制运转温升,并保持内部润滑剂的清洁度。基本尺寸为内径80毫米、外径110毫米、厚度32毫米,这一规格在保证刚性需求的前提下实现了紧凑的空间布局。
该轴承的接触角设计与精密制造工艺使其具备较好的轴向承载能力和运行稳定性,在连续高速运转条件下仍可维持较低的振动与噪声水平。密封系统能有效阻挡外部污染物侵入,延长轴承在苛刻环境下的使用寿命。此类轴承常见于精密机床主轴、电主轴及高速传动系统等需要同时满足高精度定位与高速旋转要求的应用场景。
通过材料与结构的综合优化,该产品在高速性能与精度保持性之间取得了良好平衡,为设备制造商提升系统整体性能提供了可靠支持。其技术特性使之成为精密机械传动领域的重要基础部件之一。
X
C
S
7
9
1
6
E
T
P
4
D
U
X:超高转速
C:陶瓷球
S:密封型
7:精密角接触球轴承
9:尺寸系列:超轻 19 系列
16:内径:80 mm
E:25° 接触角
T:聚酰胺保持架
P4:ISO 4级精度
DU:双列万能配对
X:
超高转速
C:
陶瓷球
S:
密封型
7:
精密角接触球轴承
9:
尺寸系列:超轻 19 系列
16:
内径:80 mm
E:
25° 接触角
T:
聚酰胺保持架
P4:
ISO 4级精度
DU:
双列万能配对
公称型号 | ||
超高速陶瓷球密封型 | XCS7916ETP4DU | |
主要尺寸(mm) | ||
内径 | d | 80 |
外径 | D | 110 |
厚度(单列) | B | 16 |
厚度(多列) | T | 32 |
倒角尺寸 | r(min) | 1 |
倒角尺寸 | r1(min) | 0.6 |
额定载荷(KN) | ||
基本额定动载荷 | Cr | 42 |
基本额定静载荷 | C0r | 36.6 |
极限载荷(KN) | ||
轴向-单个 | 22.8 | |
接触角 | ||
度 | ° | 25 |
系数 | ||
fo | - | |
作用点(mm) | ||
a | 30.2 | |
限制速度(rpm) | ||
脂润滑 | Grease | 20000 |
油润滑 | Oil | - |
安装尺寸(mm) | ||
da(min) | 86 | |
Da(max) | 104 | |
Db(max) | 105 | |
ra(max) | 1 | |
rb(max) | 0.5 | |
预紧力(N)-DU/DB/DF | ||
微预紧 | EL | 49 |
轻预紧 | L | 349 |
中预紧 | M | 743 |
重预紧 | H | - |
轴承刚度(N/μm)-DU/DB/DF | ||
微预紧 | EL | 100 |
轻预紧 | L | 194 |
中预紧 | M | 254 |
重预紧 | H | - |
测量轴向游隙(μm) | ||
微预紧 | EL | 0 |
轻预紧 | L | -8 |
中预紧 | M | -15 |
重预紧 | H | - |
轴承组合 | ||
方式 | 万能 | |
列数 | 2 | |
重量(Kg) | ||
0.7 |

商品 | 品牌 | 主要尺寸 | 发货仓 | 产地 | 库存 | 含税单价 | VIP价 | 操作 |
SKF S71916 ACB/HCDGAVK384轴承 超精密角接触球轴承B设计 |
SKF | 80 X 110 X 32 | 华东 | 意大利 | 1 | 5695.52 | ¥4630.5 | |
SKF S71916 ACB/HCP4ADGA轴承 超精密角接触球轴承B设计 |
SKF | 80 X 110 X 32 | 华东 | 意大利 | 2 | 5854.6 | ¥5227.32 | |